|

|
|
|
技术参数 TECHNICAL DATA |
|
|
型号 Type |
电流比 Current ratio |
汇流排截面尺寸 Sectional area dimension of bus bar(mm2) |
根数 Purhase |
额定负荷 Ratedd(VA) |
准确级 Accuracy class |
穿心匝数 Straight throught turn Number |
外形图 |
|
LMK3(BH)-0.66/B |
5-100/5 |
25*3 |
- |
5 |
0.5 |
- |
图A |
|
LMK3(BH)-0.66/30I |
15-100/5 |
- |
- |
5 |
0.5 |
2-10 |
图B |
|
100/5 |
30*10 |
1 |
2.5 |
0.5 |
1 |
图B |
|
150-400/5 |
30*10 |
1 |
5 |
0.5 |
1 |
图B |
|
LMK3(BH)-0.66/40I |
15-100/5 |
- |
- |
5 |
0.5 |
2-10 |
图C |
|
100/5 |
40*10 |
1 |
2.5 |
0.5 |
1 |
图C |
|
150-600/5 |
40*10 |
1 |
5 |
0.5 |
1 |
图C |
|
750-800/5 |
40*10 |
1 |
10 |
0.5 |
1 |
图C |
|
LMK3(BH)-0.66/50I |
200-600/5 |
50*10 50*6 |
1-2 |
5 |
0.5 |
1 |
图D |
|
750-1000/5 |
50*10 50*6 |
1-2 |
10 |
0.5 |
1 |
图D |
|
LMK3(BH)-0.66/60I |
200-600/5 |
60*10 60*6 |
1-2 |
5 |
0.5 |
1 |
图E |
|
750-1000/5 |
60*10 60*6 |
1-2 |
10 |
0.5 |
1 |
图E |
|
1200-2000/5 |
60*10 60*6 |
1-2 |
15 |
0.5 |
1 |
图E |
|
LMK3(BH)-0.66/80I |
300-600/5 |
80*10 60*10 |
1-2 |
5 |
0.5 |
1 |
图F |
|
750-1000/5 |
80*10 60*10 |
1-2 |
10 |
0.5 |
1 |
图F |
|
1200-2000/5 |
80*10 60*10 |
1-2 |
15 |
0.5 |
1 |
图F |
|
LMK3(BH)-0.66/100I |
400-600/5 |
100*10 80*10 |
1-2 |
5 |
0.5 |
1 |
图G |
|
750-1000/5 |
100*10 80*10 |
1-2 |
10 |
0.5 |
1 |
图G |
|
1200-3000/5 |
100*10 80*10 |
1-2 |
15 |
0.5 |
1 |
图G |
|
LMK3(BH)-0.66/120I |
800-1000/5 |
120*10 |
1-2 |
10 |
0.5 |
1 |
图H |
|
1200-4000/5 |
120*10 |
1-2 |
15 |
0.5 |
1 |
图H | |
|
|
|
型号 Type |
电流比 Current ratio |
汇流排截面尺寸 Sectional area dimension of bus bar(mm2) |
根数 Purhase |
额定负荷 Ratedd(VA) |
准确级 Accuracy class |
穿心匝数 Straight throught turn Number |
外形图 |
|
LMK3(BH)-0.66/30II |
15-100/5 |
- |
- |
5 |
0.5 |
2-10 |
图I |
|
100/5 |
30*10 |
1 |
5 |
0.5 |
1 |
图I |
|
150-400/5 |
30*10 |
1 |
5 |
0.5 |
1 |
图I |
|
LMK3(BH)-0.66/40II |
150-200/5 |
40*10 |
1-2 |
5 |
1 |
1 |
图J |
|
250-600/5 |
40*10 |
1-2 |
5 |
0.5 |
1 |
图J |
|
750-100/5 |
40*10 |
1-2 |
10 |
0.5 |
1 |
图J |
|
LMK3(BH)-0.66/50II |
150-200/5 |
50*10 |
1-2 |
5 |
1 |
1 |
图J |
|
250-600/5 |
50*10 |
1-2 |
5 |
0.5 |
1 |
图J |
|
750-1000/5 |
50*10 |
1-2 |
10 |
0.5 |
1 |
图J |
|
1200-1500/5 |
50*10 |
1-2 |
15 |
0.5 |
1 |
图J |
|
LMK3(BH)-0.66/60II |
300-600/5 |
60*10 |
1-2 |
5 |
0.5 |
1 |
图J |
|
750-1000/5 |
60*10 |
1-2 |
10 |
0.5 |
1 |
图J |
|
1200-2000/5 |
60*10 |
1-2 |
15 |
0.5 |
1 |
图J |
|
LMK3(BH)-0.66/80II |
400-600/5 |
80*10 |
1-2 |
5 |
0.5 |
1 |
图J |
|
750-1000/5 |
80*10 |
1-2 |
10 |
0.5 |
1 |
图J |
|
1200-2500/5 |
80*10 |
1-2 |
15 |
0.5 |
1 |
图J |
|
LMK3(BH)-0.66/100II |
500-600/5 |
100*10 |
1-2 |
5 |
0.5 |
1 |
图J |
|
750-1000/5 |
100*10 |
1-2 |
10 |
0.5 |
1 |
图J |
|
1200-3000/5 |
100*10 |
1-2 |
15 |
0.5 |
1 |
图J |
|
LMK3(BH)-0.66/120II |
800-1000/5 |
120*10 |
1-3 |
10 |
0.5 |
1 |
图J |
|
1200-5000/5 |
120*10 |
1-3 |
15 |
0.5 |
1 |
图J | |
| |
外形及安装尺寸 OUTLINE DRAWINGS AND DIMENSIONS |
|
| LMK3(BH)-0.66/B(图A) |
|


|
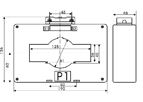
| LMK3(BH)-0.66/30I(图B) |
 |
| LMK3(BH)-0.66/40I(图C) |
 |
| LMK(BH)-0.66/50I(图D) |
 |
| LMK3(BH)0.66/60I(图E) |
 |
| LMK3(BH)-0.66/80I(图F) |
 |
| LMK3(BH)-0.66/100I(图G) |
 |
| LMK3(BH)-0.66/120I(图H) |
 |
| LMK3(BH)-0.66/30II(图I) |
 |
| LMK3(BH)-0.66/40-120II(图J) |
 |
|
型号 |
A |
B |
A1 |
A2 |
H |
h |
C |
|
BH-0.66/40II |
42 |
32 |
45 |
79 |
104 |
44 |
47 |
|
BH-0.66/50II |
52 |
32 |
54 |
87 |
106 |
45 |
46 |
|
BH-0.66/60II |
62 |
32 |
42 |
102 |
111 |
44 |
48 |
|
BH-0.66/80II |
83 |
32 |
60 |
122 |
118 |
50 |
47 |
|
BH-0.66/100II |
102 |
32 |
74 |
140 |
123 |
51 |
50 |
|
BH-0.66/120II |
122 |
52 |
54 |
168 |
153 |
69 |
48 |
| |
 |
|
图L 二片绝缘片压紧法 Diagram two-strainght metal flake tight |
|
 |
|
图N 多汇流排压紧法 Diagram n strainght metal flake tinht |
|
| | | |
| 注:本公司常规配制图K、图L安装附件,如需采用图M、图N安装方式请在订货时声明。 |