您的位置:您的位置:
首页
→
五金工具
→
量具衡器
→
分度盘
→ FK15125数控立卧两用型分度头
产品搜索:
产品名称
产品简介
热门搜索:
ZT2
电压互感器
隔离开关
熔断器
产品名称:
FK15125数控立卧两用型分度头
型号规格:
放大图片
产品类别:
常规产品
--
五金工具
--
分度盘
参考价格:
厂价直销
产品品牌:
恒力源
产品产地:
上海
可供数量:
批量
供货周期:
现货(或电询)
13371811002
91way@163.com
更多分享
产品简介:
(点击小图查看大图)
FK15125数控立卧两用型分度头
产品详细说明:
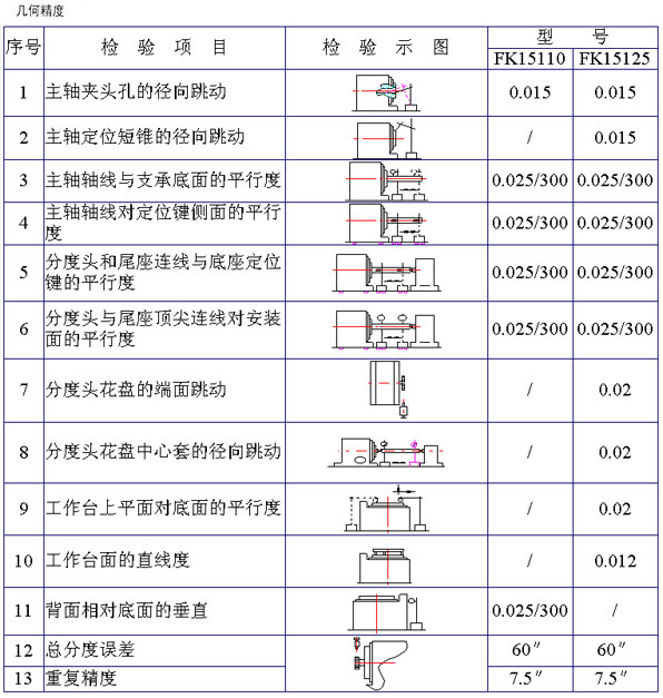
FK15125 数控立卧两用型分度头
FK15125数控立卧两用型分度头
(示意图)
相关产品:
F11系列万能分度头
RT-5CL数控分度头
FKD51175C数控等分分度头
FK53220数控等分分度头
FK53140数控等分分度头
FKNQ200系列数控气动等分分度头
FKNQ160系列数控气动等分分度头
FKNQ125系列数控气动等分分度头
FK15110数控立卧两用型分度头
FK14210A系列数控分度头
相关文章:
通用配件
(
21
)
橡塑五金
(
9
)
刃具刀具
(
28
)
量具衡器
(
258
)
顶针
(
57
)
卡盘
(
129
)
分度盘
(
22
)
拉力计
(
6
)
测量轮
(
2
)
衡器类
(
1
)
水平仪
(
3
)
高度仪
(
2
)
测微计
(
3
)
扭力扳手
(
12
)
磁性工具
(
3
)
卡尺|卷尺
(
5
)
百分|千分尺
(
8
)
塞规|块规|环轨
(
5
)
焊接器材
(
160
)
电动工具
(
222
)
气动工具
(
245
)
液压工具
(
391
)
手动工具
(
27
)
起重工具
(
199
)
电力工具
(
16
)
金刚石工具
(
6
)
磨料磨具
(
2
)
模具铸造
(
2
)
清洗润滑
(
3
)
建筑五金
(
5
)
机械设备
(
224
)
本网站所有产品资料均来源于各有关生产厂商,我们不保证资料的完整性及正确性,如需更详细资料,请直接联系厂商