导航条
首页 您的位置:您的位置:首页备品配件真空灭弧室陶瓷真空灭弧室 → TD-12/1250-20断路器用陶瓷真空灭弧室
分栏标签 
产品名称: TD-12/1250-20断路器用陶瓷真空灭弧室
型号规格: TD-12/1250-20断路器用陶瓷真空灭弧室
  放大图片 放大图片
产品类别: 常规产品 -- 备品配件 -- 陶瓷真空灭弧室
分栏标签 
参考价格: 厂价直销
产品品牌: 国产
产品产地: 上海
分栏标签 
可供数量: 批量
供货周期: 现货(或电询)
标签
产品询价 在线交流
13916500500
邮件 91way@163.com
更多分享

分栏标签 
产品简介:
(点击小图查看大图)
TD-12/1250-20断路器用陶瓷真空灭弧室产品详细说明:
概述
TD-12/1250-20断路器用陶瓷真空灭弧室采用波纹陶瓷作绝缘外壳,触头为CuCr50合金材料,杯状纵磁结构,具有断流量大、绝缘水平高、灭弧能力强、寿命长、体积小等特点和维护简单,无爆炸危险,无污染、噪音低等优点。用其组装的户内真空断路器用于电力、机械、化工、冶金、矿山、铁道等部门的输配电系统作控制和保护,适用于频繁操作的场所。 产品说明

主要技术参数

参数名称 
Parameter name

单位Unit

数值Value

额定电压Rated voltage

kV

12

额定电流Rated normal current

A

1250

额定短路开断电流 Rated short-circuit breaking current

kA

20

额定短路关合电流Rated short-circuit making current

kA

50

额定峰值耐受电流Rated peak withstand current

kA

50

额定短时耐受电流Rated short-time withstand current

kA

20

额定短路持续时间Rated duration of short circuit

S

4

额定单个电容器组开断电流
Rated single capacitor unit breaking current

A

630

额定背对背电容器组开断电流
Rated back to back capacitor unit breaking current

A

400

额定短时(1min)工频耐压
Rated short time power frequency withstand voltage (1min)

kV

42

额定触头压力下的回路电阻
Circuit resistance at lower limit of rated contact pressure

μΩ

≤30

额定短路开断电流开断次数
 Rated short circuit breaking current breaking times

Time

30

额定雷电冲击耐受电压
Rated lightning impulse withstand voltage

kV

75

机械寿命 Mechanical endurance

次Time

10000

触头自闭力
Closing force due to bellow and atmosphere

N

120±50

额定开距时的触头反力
Force required to hold contacts open at full stroke

N

200±50

触头允许磨损厚度
Contact-wear allowance thickness

mm

3

内部气体压力Internal gas pressure

Pa

≤1.33×10ˉ3

允许贮存期 Storage period

年Year

20

配用断路器的机械参数

项目Project

单位Unit 

数值Value

触头开距Contact stroke

mm

11±1

触头接触行程Contact travel

mm

3.5±0.5

平均合闸速度Average closing speed

m/s

0.6±0.2

平均分闸速度Average opening speed

m/s

1.1±0.2

额定触头压力Rated contact pressure

N

2000±200

触头合闸弹跳时间Contact closing bounce time

ms

≤2

触头合闸与分闸不同期性
Out of simultaneity of contact closing and opening

ms

≤2

分闸触头反弹幅值
Bouncing back amplitude of opening contact

mm

≤3

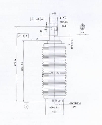
TD-12/1250-20断路器用陶瓷真空灭弧室外形尺寸
TD-12/1250-20断路器用陶瓷真空灭弧室

TD-12/1250-20断路器用陶瓷真空灭弧室
产品分类
本网站所有产品资料均来源于各有关生产厂商,我们不保证资料的完整性及正确性,如需更详细资料,请直接联系厂商