导航条
首页 您的位置:您的位置:首页低压电器低压互感器电流传感器 → A-CS300B系列霍尔交流电流传感器
分栏标签 
产品名称: A-CS300B系列霍尔交流电流传感器
型号规格: A-CS300B系列霍尔交流电流传感器
  放大图片 放大图片
产品类别: 常规产品 -- 低压电器 -- 电流传感器
分栏标签 
参考价格: 厂价直销
产品品牌: 奇霍
产品产地: 江苏
分栏标签 
可供数量: 批量
供货周期: 现货(或电询)
标签
产品询价 在线交流
13916500500
邮件 91way@163.com
更多分享

分栏标签 
产品简介:
(点击小图查看大图)
A-CS300B系列霍尔交流电流传感器产品详细说明:
A-CS300B系列霍尔交流电流传感器电参数

 

型号

A-CS030B

A-CS050B

A-CS100B

A-CS150B

A-CS200B

A-CS300B

 

IPN

原边额定输入电流

30( AC)

50(AC)

100(AC)

150(AC)

200(AC)

300(AC)

A(rms)

IP

原边电流测量范围

0~60(AC)

0~100(AC)

0~200(AC)

0~300(AC)

0~400(AC)

0~600(AC)

A(rms)

VOUT

副边额定输出电压

  4±1%(DC)

V

VC

电源电压

±12~±15(±5%)

V

IC

电流消耗 

VC=±15V                           <20

mA

Vd

绝缘电压

在原边与副边电路之间2.5KV有效值/50Hz/1分钟

 

εL

线性度

<±1

%FS

V0

零点失调电压

TA =25℃                           <±20

mV

VOT

失调电压漂移

IP=0  TA =-25~+85℃               <±1

mV/℃

Tr

响应时间

≤20

ms

f

响应频率

  20Hz~20kHz

 

TA

工作环境温度 

-25~+85

TS

贮存环境温度

-40~+100

RL

负载电阻

≥10K

Ω

 

标准

Q/3201CHGL02-2007

 


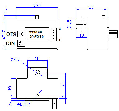
A-CS300B系列霍尔交流电流传感器外形尺寸(mm)

A-CS300B系列霍尔交流电流传感器外形尺寸

引脚说明:1:+15V 2:-15V 3:Vout 4:0V(电源地) OFS:零点调节 GIN:幅度调节

使用说明
1、错误的接线可能导致传感器损坏。当被测电流从传感器穿过,即可在输出端测得相应的电压值。 2、传感器的输出幅度可根据用户需求进行适当的调节。3、可按用户需求定制不同额定输入电流和输出电压的传感器。

A-CS300B系列霍尔交流电流传感器
产品分类
本网站所有产品资料均来源于各有关生产厂商,我们不保证资料的完整性及正确性,如需更详细资料,请直接联系厂商