您的位置:您的位置:
首页
→
低压电器
→
低压隔离器
→
隔离开关
→ GLB(QSG1)系列隔离开关
产品搜索:
产品名称
产品简介
热门搜索:
ZT2
电压互感器
隔离开关
熔断器
产品名称:
GLB(QSG1)系列隔离开关
型号规格:
放大图片
产品类别:
常规产品
--
低压电器
--
隔离开关
参考价格:
厂价直销
产品品牌:
国产
产品产地:
上海
可供数量:
批量
供货周期:
现货(或电询)
13916500500
91way@163.com
更多分享
产品简介:
(点击小图查看大图)
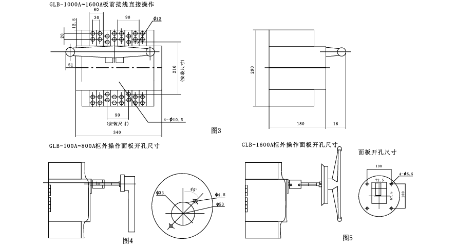
GLB(QSG1)系列隔离开关
产品详细说明:
GLB(QSG1)系列隔离开关
GLB(QSG1)系列隔离开关
(示意图)
相关产品:
GN2-40.5-630-2000A单极户内交流高压隔离开关
GW1-12/3150A型户外高压隔离开关
GN30-12D/630A-3150A户内交流高压隔离开关
GN27-40.5D/630A户内交流高压隔离开关
GN27-40.5/2500A户内交流高压隔离开关
GN24-12DC/400A-1250A户内交流高压隔离开关
GN24-12/630A型四相户内交流高压隔离开关
GN22-12D/2000A-3150A户内交流高压隔离开关
GN22-24户内交流高压隔离开关
GN19-12/400A-2000A系列单极户内交流高压隔离开关..
相关文章:
低压空气式隔离器、开关、隔离开关及熔断器组合电..
高压隔离开关采用标准及使用条件
户外交流高压真空负荷隔离开关的研制
隔离开关的原理及常见问题的处理
隔离开关接地的识别与应用
双柱式隔离开关原理
户外交流高压隔离开关柜的概述及结构图与动作原理..
隔离开关与高压熔断器的运行与维修
低压断路器
(
394
)
低压接触器
(
443
)
低压互感器
(
314
)
继电器
(
1498
)
计数器|计时器
(
313
)
低压熔断器
(
117
)
起动器
(
48
)
电磁铁
(
247
)
电阻器
(
112
)
低压避雷器
(
34
)
电力电容器
(
52
)
低压电抗器
(
44
)
双电源开关
(
61
)
低压隔离器
(
155
)
刀开关
(
19
)
刀熔开关
(
56
)
隔离开关
(
80
)
转换开关
(
160
)
主令电器
(
421
)
接线端子
(
112
)
插头插座
(
42
)
电磁吸盘
(
10
)
电工设备
(
69
)
照明配电箱
(
51
)
低压保护器
(
85
)
电柜门锁拉手
(
585
)
建筑电器
(
17
)
本网站所有产品资料均来源于各有关生产厂商,我们不保证资料的完整性及正确性,如需更详细资料,请直接联系厂商