导航条
首页 您的位置:您的位置:首页泵阀管件阀门产品单向阀 → AW型电磁单向阀
分栏标签 
产品名称: AW型电磁单向阀
型号规格: AW型电磁单向阀
  放大图片 放大图片
产品类别: 常规产品 -- 泵阀管件 -- 单向阀
分栏标签 
参考价格: 厂价直销
产品品牌: 国产
产品产地: 上海
分栏标签 
可供数量: 批量
供货周期: 现货(或电询)
标签
产品询价 在线交流
13916950330
邮件 91way@163.com
更多分享

分栏标签 
产品简介:
(点击小图查看大图)
AW型电磁单向阀产品详细说明:
Aw型电磁单向阀,是在液控单向阀控制油路上串联一个电磁换向阀而构成的电液控制单向阀。它有反向截止功能,由电信号操作控制油路通断,使液流正向导通或截止。

技术参数

  规 格
AW-06
AW-10
  流量l/min
100
170
  液压介质
矿物质液压油、磷酸脂液压油
 介质温度范围℃
-20~70
 介质粘度范围mm2/s
2.8~100
  工作压力MPa
31.5
  适用电压V
直流24,交流220/50Hz


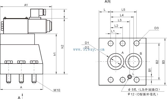
外型及安装尺寸

AW型电磁单向阀符号
AW型电磁单向阀外形尺寸
AW型电磁单向阀安装尺寸

AW型电磁单向阀

AW型电磁单向阀
产品分类
本网站所有产品资料均来源于各有关生产厂商,我们不保证资料的完整性及正确性,如需更详细资料,请直接联系厂商