导航条
首页 您的位置:您的位置:首页机械传动制动器|离合器气动制动器 → CQP系列气动盘式制动器
分栏标签 
产品名称: CQP系列气动盘式制动器
型号规格: CQP系列气动盘式制动器
  放大图片 放大图片
产品类别: 常规产品 -- 机械传动 -- 气动制动器
分栏标签 
参考价格: 厂价直销
产品品牌: 国产
产品产地: 上海
分栏标签 
可供数量: 批量
供货周期: 现货(或电询)
标签
产品询价 在线交流
13371811002
邮件 91way@163.com
更多分享

分栏标签 
产品简介:
(点击小图查看大图)
CQP系列气动盘式制动器产品详细说明:

CQP口系列气动钳盘式制动器,广泛用于中小型驱动机构的停车或减速制动。卷绕机构的紧张制动,如造纸紧张、新闻印刷时新闻纸的紧张控制、钢板(钢丝)卷展开张紧及电线电缆放线、放缆张紧控制等。


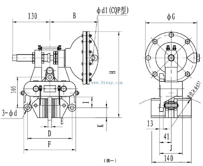
CQP系列气动盘式制动器安装尺寸5
CQP系列气动盘式制动器安装尺寸4
CQP系列气动盘式制动器安装尺寸3
CQP系列气动盘式制动器安装尺寸2
CQP系列气动盘式制动器技术参数1
CQP系列气动盘式制动器安装尺寸1
CQP系列气动盘式制动器

CQP系列气动盘式制动器
产品分类
本网站所有产品资料均来源于各有关生产厂商,我们不保证资料的完整性及正确性,如需更详细资料,请直接联系厂商