您的位置:您的位置:
首页
→
低压电器
→
电磁铁
→
直动推拉电磁铁
→ ZKS-101长行程框架式电磁铁(直动复位)
产品搜索:
产品名称
产品简介
热门搜索:
ZT2
电压互感器
隔离开关
熔断器
产品名称:
ZKS-101长行程框架式电磁铁(直动复位)
型号规格:
放大图片
产品类别:
常规产品
--
低压电器
--
直动推拉电磁铁
参考价格:
厂价直销
产品品牌:
国产
产品产地:
上海
可供数量:
批量
供货周期:
现货(或电询)
13916500500
91way@163.com
更多分享
产品简介:
(点击小图查看大图)
ZKS-101长行程框架式电磁铁(直动复位)
产品详细说明:
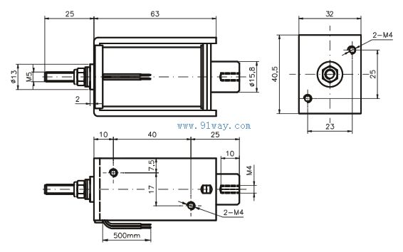
型号
线圈电阻
额定电压D.C(V)
行程(mm)
吸力(N)
ZKS101
12.5Ω±10%
24
10
20
ZKS-101长行程框架式电磁铁(直动复位)
ZKS-101长行程框架式电磁铁(直动复位)
(示意图)
相关产品:
DT736A型电磁铁
DL6022型电磁铁
DL736型切线电磁铁
DL735型倒缝电磁铁
DT734D型推动电磁铁
DL734B型牵引电磁铁
DT734A型推动电磁铁
DL734型切线电磁铁
DL733A型牵引电磁铁
DL7221脱扣电磁铁
相关文章:
牵引电磁铁的作用介绍
制动电磁铁选用计算
低压断路器
(
397
)
低压接触器
(
443
)
低压互感器
(
314
)
继电器
(
1498
)
计数器|计时器
(
313
)
低压熔断器
(
117
)
起动器
(
48
)
电磁铁
(
247
)
除铁器
(
32
)
电磁吸盘
(
16
)
牵引电磁铁
(
32
)
旋转电磁铁
(
21
)
专用电磁铁
(
39
)
直动推拉电磁铁
(
22
)
直流阀用电磁铁
(
41
)
交流阀用电磁铁
(
44
)
电阻器
(
112
)
低压避雷器
(
34
)
电力电容器
(
52
)
低压电抗器
(
44
)
双电源开关
(
61
)
低压隔离器
(
155
)
转换开关
(
160
)
主令电器
(
421
)
接线端子
(
112
)
插头插座
(
42
)
电磁吸盘
(
10
)
电工设备
(
69
)
照明配电箱
(
51
)
低压保护器
(
85
)
电柜门锁拉手
(
585
)
建筑电器
(
17
)
本网站所有产品资料均来源于各有关生产厂商,我们不保证资料的完整性及正确性,如需更详细资料,请直接联系厂商