 
 
  
|   | 产品名称: | KBLT系列超大行程二爪卡盘 | ||||
| 型号规格: |   放大图片 | |||||
| 产品类别: | 常规产品 -- 五金工具 -- 卡盘 | |||||
|   | 参考价格: | 厂价直销 | ||||
| 产品品牌: | 国产 | |||||
| 产品产地: | 上海 | |||||
|   | 可供数量: | 批量 | ||||
| 供货周期: | 现货(或电询) | |||||
|  | 
 | |||||
|   | 产品简介: | 
 | ||||
KBLT系列超大行程二爪卡盘两爪曲柄型大通孔夹头,超级长行程。夹头滑动面经硬化处理及精密研磨,并直接润滑。其安装连接方式与其他中空夹头一样,不需要更换拉杆。高刚性、高精度及高转速。 
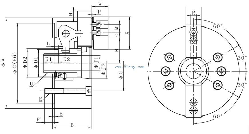
尺寸单位/Size unit: mm 
| 规格 Spec | 楔心行程  | 爪行程直径  | 最大夹持直径 | 最小夹持直径 | 容许油压缸推力 Max.D.B.Pull KN | 
| KBLT-206 | 20 | 32 | 165 | 10 | 18.1 | 
| KBLT-208 | 25 | 40 | 210 | 28 | 20.1 | 
| KBLT-210 | 28 | 42 | 254 | 42 | 29.5 | 
| KBLT-212 | 35 | 50 | 304 | 54 | 36 | 
| 规格 Spec | 最大夹持力 | 最高转速 | 最大使用压力 | 重量 | 适合油压缸  | 
| KBLT-206 | 12.6 | 3600 | 1.9 | 11.8 | S-100 | 
| KBLT-208 | 18.5 | 3000 | 1.6 | 23.3 | S-125 | 
| KBLT-210 | 26.3 | 2400 | 1.9 | 34 | S-125 | 
| KBLT-212 | 35 | 2100 | 1.8 | 60.2 | S-150 | 
| 规格 Spec | A | B | C(H7) | D1 | D2 | E | F | G | H max | J1 | J2(H9) | K1 | 
| KBLT-206 | 165 | 80 | 140 | 45 | 54 | 6-M10 | 16 | 104.8 | 10 | 21 | 60 | 20 | 
| KBLT-208 | 215 | 93 | 170 | 65 | 74 | 6-M12 | 20 | 133.4 | 11.5 | 36 | 80 | 25 | 
| KBLT-210 | 254 | 111 | 220 | 82 | 96 | 6-M12 | 17 | 171.4 | 13 | 55 | 105 | 25 | 
| KBLT-212 | 304 | 130 | 220 | 92 | 102 | 6-M16 | 22 | 171.4 | 15 | 62 | 110 | 30 | 
| 规格 Spec | K2 | L | M | N | O | P | Q | R | T | U | W | X | 
| KBLT-206 | 10 | -2--18 | 20 | 23.8--39.8 | 9--30 | 3 | 31 | 12 | 43 | M30*2 | 37 | 73 | 
| KBLT-208 | 10 | -4--21 | 25 | 33.8--53.8 | 10--35 | 5 | 35 | 14 | 55 | M45*2 | 40 | 95 | 
| KBLT-210 | 12 | -2--26 | 30 | 46.3--67.3 | 13.5--37.5 | 5 | 40 | 16 | 62 | M65*2 | 45 | 110 | 
| KBLT-212 | 14 | -3.5--31.5 | 30 | 48.3--73.3 | 14--52 | 5 | 50 | 21 | 77 | M72*2 | 53 | 130 | 
