| 产品名称: | LF-3型轮幅式称重传感器 | |||||
| 型号规格: | ![]() |
|||||
| 产品类别: | 常规产品 -- 仪器仪表 -- 称重传感器 | |||||
| 参考价格: | 厂价直销 | |||||
| 产品品牌: | 余姚传感器厂 | |||||
| 产品产地: | 浙江 | |||||
| 可供数量: | 批量 | |||||
| 供货周期: | 现货(或电询) | |||||
|
||||||
| 产品简介: |
|
|||||
LF-3型轮幅式传感器系列
高精度、高可靠性、安装方便
适用于料斗秤,轨道衡,试验机等
精度等级:0.03、0.05
灵敏度:2.0±0.005mV/V
输入阻抗:380±15Ω
输出阻抗:350±3Ω
绝缘电阻:≥5000MΩ
最大供桥电压:15V
安全过载:150%F.S.
温度范围:-30℃~+70℃
防护等级:IP67
电缆:输入(+)红 输出(+)兰 输入(-)黄 输出(-)白 长度6M
|
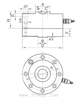
量程(t) \ 尺寸(mm) |
A |
B |
C |
D |
E |
H |
F |
R |
Φ |
d |
d1 |
h |
|
5,10klb |
1.34 |
1.25 |
0.20 |
4.12 |
0.28 |
1.75 |
0.75 |
0.64 |
3.5 |
0.28 |
0.41 |
0.04 |
|
25,50klb |
1.60 |
1.25 |
0.30 |
4.75 |
0.38 |
2.12 |
0.94 |
0.88 |
4.00 |
0.34 |
0.51 |
0.04 |
|
100klb |
2.00 |
1.25 |
0.30 |
5.50 |
0.40 |
2.25 |
1.14 |
0.88 |
4.60 |
0.41 |
0.63 |
0.04 |
|
2.5,5t |
34.0 |
31.8 |
5.0 |
104.6 |
7.0 |
44.5 |
19.1 |
16.2 |
88.9 |
7.1 |
10.3 |
1.0 |
|
10,25t |
40.6 |
31.8 |
7.6 |
120.7 |
9.7 |
53.8 |
23.9 |
22.3 |
1.0.6 |
8.7 |
13 |
1.0 |
|
50t |
50.8 |
31.8 |
7.6 |
139.7 |
10.2 |
57.2 |
29 |
22.3 |
116.8 |
10.3 |
15.9 |
1.0 |
弹性体为轮辐、孔辐、硬芯平膜片结构,外形高度低,用于拉伸力和压缩力测量,抗偏、抗侧向力强。
精度高,拉、压输出对称性好,性能稳定可靠,量程范围广,安装使用方便。
拉压式承载,适用于多种载荷力的测试,各种拉压力测试、电子秤及工业自动化测量控制系统。
|
主 要 技 术 指 标 | ||||
|
测量范围 |
0- 100 ~ 800 | kg | ||
|
输出灵敏度 |
1.5~2.0 | mV/V | ||
|
直线度L |
±0.02; ±0.05; ±0.1 | %F.S | ||
|
滞后H |
±0.02; ±0.05; ±0.1 | %F.S | ||
|
重复性R |
±0.02; ±0.05; ±0.1 | %F.S | ||
|
工作温度 |
-10~+60 | ℃ | ||
|
温度补偿范围 |
室温~+60 | ℃ | ||
|
零点温度影响 |
±0.05 | %F.S/10 ℃ | ||
|
输出温度影响 |
±0.05 | %F.S/10 ℃ | ||
|
激励电压 |
12 | VDC | ||
|
绝缘电阻 |
2000 | MΩ/100VDC | ||
|
输入电阻:钢质 |
760±5 | Ω | ||
|
铝质 |
790±5 | Ω | ||
|
输出电阻 |
700±5 | Ω | ||
|
零点输出 |
0~±1 | %F.S | ||
|
安全过负荷率 |
120 | %F.S | ||
|
连接方式 |
插头座号 |
导线颜色 |
| 输入(电源)正端 |
1 |
红 |
| 输出信号正端 |
2 |
黄 (绿) |
| 输出信号负端 |
3 |
白 |
| 输入(电源)负端 |
4 |
蓝 |
| 屏蔽 | / | 黑 |
| 若插头座号、导线颜色发生颜色变化时,请以传感器检定合格证书为准。 | ||
| 量程(kg) | H1 | H2 | H3 | ø1 | ø2 | ø3 | A-M1 | M |
| 100,200,300 | 28 | 48 | 13 | 16 | 70 | 61 | 4-M5深20 | M10x1 |
| 500,600,800 | 32 | 55 | 15 | 18 | 88 | 68 | 8-M6深20 | M12x1 |