您的位置:您的位置:
首页
→
备品配件
→
辅助开关
→ F8辅助触头组
产品搜索:
产品名称
产品简介
热门搜索:
ZT2
电压互感器
隔离开关
熔断器
产品名称:
F8辅助触头组
型号规格:
放大图片
产品类别:
常规产品
--
备品配件
--
辅助开关
参考价格:
厂价直销
产品品牌:
国产
产品产地:
上海
可供数量:
批量
供货周期:
现货(或电询)
13916500500
91way@163.com
更多分享
产品简介:
(点击小图查看大图)
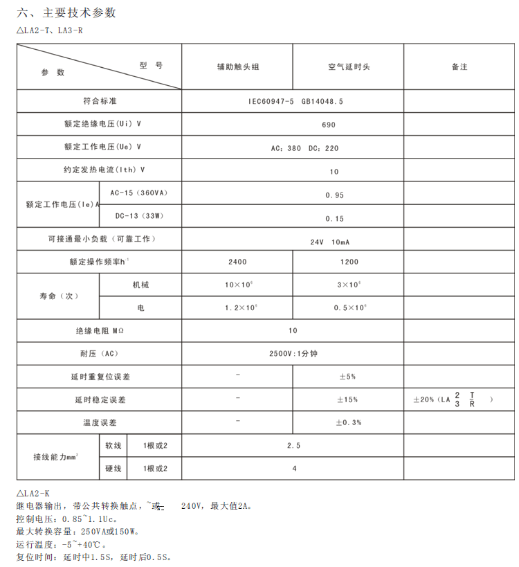
F8辅助触头组
产品详细说明:
F8辅助触头组
F8辅助触头组
(示意图)
相关产品:
FC系列塑壳断路器辅助触头(AX)
FCW框架断路器辅助触头
NS辅助触头
SK4-d、SK4系列空气延时头及F3-d、F3系列辅助触头..
HSM1(ABB)-125/160FC系列断路器辅助触头
TM30(NF30)-630/800FC系列断路器辅助触头
HSM1(ABB)-250/400FC系列断路器辅助触头
CM1(H型)-630FC系列断路器辅助触头
CM1(H型)-400FC系列断路器辅助触头
CM1,SM40-225FC系列漏电断路器辅助触头
相关文章:
操动机构
(
408
)
线圈系列
(
69
)
断路器附件
(
94
)
辅助开关
(
61
)
绝缘管件
(
29
)
触头合金
(
2
)
真空灭弧室
(
172
)
电机配件
(
58
)
泵阀配件
(
7
)
电力金具
(
165
)
仪表配件
(
8
)
扎带附料
(
2
)
本网站所有产品资料均来源于各有关生产厂商,我们不保证资料的完整性及正确性,如需更详细资料,请直接联系厂商