导航条
首页 您的位置:您的位置:首页低压电器低压隔离器隔离开关 → GHK,KGH,HG系列隔离换向开关
分栏标签 
产品名称: GHK,KGH,HG系列隔离换向开关
型号规格: GHK,KGH,HG系列隔离换向开关
  放大图片 放大图片
产品类别: 常规产品 -- 低压电器 -- 隔离开关
分栏标签 
参考价格: 厂价直销
产品品牌: 国产
产品产地: 上海
分栏标签 
可供数量: 批量
供货周期: 现货(或电询)
标签
产品询价 在线交流
13916500500
邮件 91way@163.com
更多分享

分栏标签 
产品简介:
(点击小图查看大图)
GHK,KGH,HG系列隔离换向开关产品详细说明:

用途
GHK,KGH,HG系列隔离换向开关适用于交流50Hz,电压至1140V,电流分别为200A、315A、400A的电力线路中,作主电路隔离和在无负载情况下改变电源相序用,在故障情况下,能带负荷分闸,具有较高的分断能力,特别适宜于组成千伏级矿用隔爆型电磁起动器。

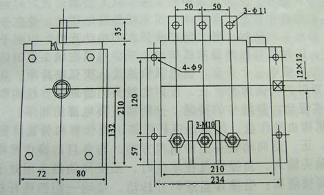
外形尺寸

GHK,KGH,HG系列隔离换向开关外形尺寸

GHK,KGH,HG系列隔离换向开关外形图1

GHK,KGH,HG系列隔离换向开关外形图2

GHK,KGH,HG系列隔离换向开关外形图3

GHK,KGH,HG系列隔离换向开关

GHK,KGH,HG系列隔离换向开关
产品分类
本网站所有产品资料均来源于各有关生产厂商,我们不保证资料的完整性及正确性,如需更详细资料,请直接联系厂商