导航条
首页 您的位置:您的位置:首页高压电器高压隔离开关户外隔离开关 → GW9-12(W)系列户外交流高压隔离开关
分栏标签 
产品名称: GW9-12(W)系列户外交流高压隔离开关
型号规格: GW9-12(W)系列户外交流高压隔离开关
  放大图片 放大图片
产品类别: 常规产品 -- 高压电器 -- 户外隔离开关
分栏标签 
参考价格: 厂价直销
产品品牌: 国产
产品产地: 上海
分栏标签 
可供数量: 批量
供货周期: 现货(或电询)
标签
产品询价 在线交流
13916500500
邮件 91way@163.com
更多分享

分栏标签 
产品简介:
(点击小图查看大图)
GW9-12(W)系列户外交流高压隔离开关产品详细说明:
GW9-12(W)系列户外高压隔离开关,为单极结构的高压开关设备,在户外12千伏线路网络中有电压无负载情况下,分、合电路之用。设有固定拉钩和自锁装置,灵活可靠,采用绝缘勾棒操作。其中防污型户外高压隔离开关可满足严重污秽地区用户的要求,可以有效地解决隔离开关在运行中出现的污闪问

GW9-12(W)系列户外交流高压隔离开关使用环境条件
1、海拔高度不超过1000m;
2、周围空气温度:上限+40℃,下限一般地区-30℃,高寒地区-40℃;
3、风压不超过700Pa。(相当于风速34m/s);
4、地震烈度不超过8度;
5、无频繁剧烈震动场所;
6、普通型安装场所应无严重影响隔离开关绝缘和导电能力的气体、蒸气、化学性沉积、盐雾、灰尘及其它爆炸性、侵蚀性物质;
7、防污型适用于重污秽地区,但不应有引起火灾及爆炸物质。

型号

额定电压

额定电压

4S热稳定电流(有效值)4S )

动稳定电流(峰值)

全波冲击耐压

工频耐压

相对地(KV)

段口间

相对地(KV)

段口间

GW-12/400-12.5

12

400

12.5

31.5

75

85

42

48

GW-12W/400-12.5

GW9-12/630-20

12

630

10

50

75

85

42

48


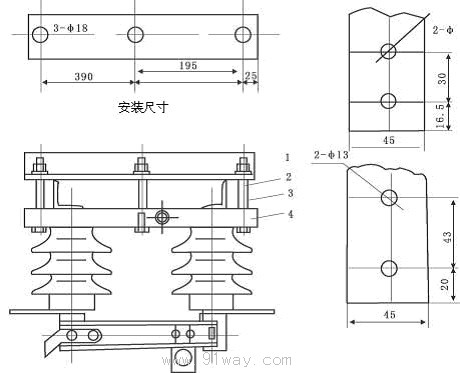
GW9-12(W)系列户外交流高压隔离开关外形尺寸图
GW9-12(W)系列户外交流高压隔离开关安装尺寸图

GW9-12(W)系列户外交流高压隔离开关

GW9-12(W)系列户外交流高压隔离开关
产品分类
本网站所有产品资料均来源于各有关生产厂商,我们不保证资料的完整性及正确性,如需更详细资料,请直接联系厂商