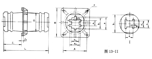
CM-12系列户内母线穿墙瓷套管

| 型 号 | 工厂代号 | 额定 电压KV
 | 弯曲 负荷KN
 | 图号 |  | 重量 Kg
 | 
| L | l1 | l2 | A | a | a1 | a2 | D | d | b1 | b2 | b3 | B | 内径 | 
| CM-12-86 | 2525 | 12 | 20 | 13-I | 480 | 202 | 19 | 200 | 60 | 80 |  | 155 | 17 | 122 | 46 | 11 | 240 | 86 | 15.5 | 
| CM-12-105 | 2526 | 12 | 23 | 484 | 205 | 19 | 230 | 80 | 100 |  | 174 | 17 | 142 | 60 | 15 | 270 | 105 | 17.3 | 
| CM-12-142 | 2527 | 12 | 30 | 13-II | 487 | 206 | 20 | 260 | 136 | 50 | 106 | 205 | 20 | 104 | 74 | 15 | 305 | 142 | 21.1 | 
| CM-12-160 | 2532 | 12 | 8 | 488 | 205 | 20 | 260 | 160 | 80 | 128 | 205 | 20 | 130 | 100 | 15 | 305 | 160 | 19.2 | 
| CM-12-130 | 2550 | 24 | 23 | 13-I | 720 | 256 | 20 | 260 | 80 | 100 |  | 228 | 20 | 142 | 60 | 15 | 305 | 130 | 31.2 | 
|  |  |  |  |  | L | I1 | I2 | d | d1 | a | a1 |  |  |  |  |  | B | 内径 |  | 
| CM-12-330 | 2351 | 24 | 40 | 15 | 782 | 351 | 22 | 460 | 26 | 480 | 370 |  |  |  |  |  | 570 | 330 | 150 | 
注:原型号中D、E、F代表弯曲负荷。现型号中取消D、E、F,直接标注弯曲负荷。