导航条
首页 您的位置:您的位置:首页机械传动升降机 → SWL系列蜗轮丝杆升降机
分栏标签 
产品名称: SWL系列蜗轮丝杆升降机
型号规格: SWL系列蜗轮丝杆升降机
  放大图片 放大图片
产品类别: 常规产品 -- 机械传动 -- 升降机
分栏标签 
参考价格: 厂价直销
产品品牌: 国产
产品产地: 上海
分栏标签 
可供数量: 批量
供货周期: 现货(或电询)
标签
产品询价 在线交流
13371811002
邮件 91way@163.com
更多分享

分栏标签 
产品简介:
(点击小图查看大图)
SWL系列蜗轮丝杆升降机产品详细说明:

SWL系列蜗轮丝杆升降机广泛应用于机械、冶金、建筑、水利设备等行业,具有起升、下降及借助辅件推进、翻转及各种高度位置调整等诸多功能。 

SWL蜗轮丝杆升降机是一种基础起重部件,具有结构紧凑、体积小、重量轻、动力源广泛、无噪音、安装方便、使用灵活、功能多、配套形式多、可靠性高、使用寿命长等许多优点。可以单台或组合使用,能按一定程序准确地控制调整提升或推进的高度,可以用电动机或其他动力直接带动,也可以手动。它有不同的结构形式和装配形式,且提升高度可按用户的要求定制。 
SWL系列蜗轮丝杆升降机选型说明
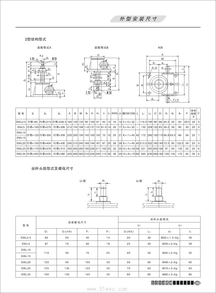
SWL系列蜗轮丝杆升降机外形尺寸
SWL系列蜗轮丝杆升降机安装尺寸
SWL系列蜗轮丝杆升降机技术参数
SWL系列蜗轮丝杆升降机结构图

SWL系列蜗轮丝杆升降机
产品分类
本网站所有产品资料均来源于各有关生产厂商,我们不保证资料的完整性及正确性,如需更详细资料,请直接联系厂商