| 产品名称: | DT,DTZ型系列电动推杆 | |||||
| 型号规格: | ![]() |
|||||
| 产品类别: | 常规产品 -- 机械传动 -- 液压推动器 | |||||
| 参考价格: | 厂价直销 | |||||
| 产品品牌: | 国产 | |||||
| 产品产地: | 上海 | |||||
| 可供数量: | 批量 | |||||
| 供货周期: | 现货(或电询) | |||||
|
||||||
| 产品简介: |
|
|||||
DT、DTZ型系列电动推杆机是一种往复运动的电力驱动装置,用于各种复杂或简单的工艺流程中,作为电动执行机构以实现 远方集中控制或自动控制。
电动推杆是一种通用部件,自产生以来,以被广泛应用于电力,机械、冶金、交通、煤炭、化工、粮饲加工 机械等部门,深受广大用户欢迎。
电动推杆按额定推力目前分为25、100、300、500、700、1000、1600、3200、5000、10000、20000、30000公斤等12个等级,按行程为100、200、300、400、500、600、700、800、900、1000、1100、1200、1300毫米,每种行程又有42或84,50或100,26.6或53.2两种速度。(详见技术性能参数表)
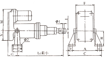
外形安装尺寸
D-代表电动
T-代表推开
300-额定推力(公斤)
50-最大行程(厘米)
I型-速度代号毫米/秒
工作原理
电动机通过一对齿轮减速后带动一对丝杠螺母把电机的旋转运动变为直线运动,利用电动机正反转完成推拉 动作。推力和拉力相等。如通过各种杠杆、摇杆或连杆等机构可完成转动、摇动等复杂动作。通过改变杠杆力臂 长度可以增长行程。
DT型主要技术性能参数
|
序号 |
型号 |
推力 |
行程 |
速度 |
电动机 |
Lc(mm) |
外形尺寸(毫米) |
总重 | ||||
|
型号 |
功率(瓦) |
转速(转/分) |
电流(安) |
LcMin |
LcMax | |||||||
|
1 |
2520Ⅰ |
25 |
200 |
42 |
AO25024 |
40 |
1400 |
0.23 |
369 |
569 |
580×125×118 |
7.5 |
|
2 |
2520Ⅱ |
25 |
200 |
84 |
AO25022 |
60 |
2800 |
0.23 |
369 |
569 |
580×125×118 |
7.5 |
|
3 |
10040Ⅰ |
100 |
400 |
42 |
AO25624 |
120 |
1400 |
0.47 |
640 |
1040 |
858×152×206 |
23 |
|
4 |
10040Ⅱ |
100 |
400 |
84 |
AO25622 |
180 |
2800 |
0.52 |
640 |
1040 |
858×152×206 |
23 |
|
5 |
30050Ⅰ |
300 |
500 |
42 |
AO25622 |
370 |
1400 |
1.12 |
745 |
1245 |
998×170×226 |
35 |
|
6 |
30050Ⅱ |
300 |
500 |
84 |
AO26334 |
550 |
2800 |
1.38 |
745 |
1245 |
998×170×226 |
35 |
|
7 |
50050Ⅰ |
500 |
500 |
50 |
AO26332 |
750 |
1400 |
2.02 |
778 |
1278 |
1098×190×266.5 |
52 |
|
8 |
50050Ⅱ |
500 |
500 |
100 |
AO27134 |
1100 |
2800 |
2.60 |
778 |
1278 |
1098×190×266.5 |
52 |
|
9 |
70060Ⅰ |
700 |
600 |
50 |
AO27132 |
750 |
1400 |
2.02 |
803 |
1343 |
1193×200×276 |
63 |
|
10 |
70060Ⅱ |
700 |
600 |
100 |
AO27134 |
1100 |
2800 |
2.60 |
803 |
1343 |
1193×200×279 |
63 |
|
11 |
100060Ⅰ |
1000 |
600 |
50 |
AO27132 |
1100 |
1410 |
2.70 |
883 |
1483 |
1260×204×271 |
75 |
|
12 |
100060Ⅱ |
1000 |
600 |
100 |
Y90S-4 |
1500 |
2860 |
3.40 |
883 |
1483 |
1260×204×271 |
75 |
|
13 |
160080Ⅰ |
1600 |
800 |
50 |
Y90S-2 |
2200 |
1430 |
5.00 |
1063 |
1863 |
1535×302×330 |
90 |
|
14 |
160080Ⅱ |
1600 |
800 |
100 |
Y100L1-4 |
3000 |
2860 |
6.40 |
1063 |
1863 |
1535×302×330 |
85 |
|
15 |
3200Z-80Ⅰ |
3200 |
800 |
26.6 |
Y100L-2 |
3000 |
1420 |
6.80 |
1225 |
2025 |
1265×300×520 |
230 |
|
16 |
3200Z-80Ⅱ |
3200 |
800 |
53.2 |
Y100L-4 |
4000 |
2890 |
8.20 |
1225 |
2025 |
1265×300×520 |
250 |
|
17 |
5000Z-80 |
5000 |
800 |
26.6 |
Y112M-2 |
4000 |
1440 |
8.80 |
1225 |
2025 |
1265×300×520 |
250 |
|
型号 |
A |
B |
C |
D |
E |
F |
G |
H |
M |
N |
I |
φ1 |
φ2 |
Lc最小 |
|
DTZ-50 |
140 |
50 |
170 |
80 |
90 |
62 |
80 |
135 |
80 |
10 |
6 |
8.5 |
104+S | |
|
DTZ-100 |
186 |
75 |
226 |
133 |
112 |
72 |
130 |
190 |
90 |
10 |
0 |
14 |
240+S | |
|
DTZ-300 |
209 |
75 |
249 |
133 |
135 |
76 |
152 |
220 |
105 |
20 |
12 |
14 |
232+S | |
|
DTZ-630 |
214 |
75 |
254 |
163 |
140 |
96 |
170 |
245 |
110 |
20 |
14 |
14 |
244+S | |
|
DTZ-1000 |
228 |
93 |
268 |
163 |
154 |
125 |
190 |
285 |
140 |
20 |
16 |
14 |
259+S | |
|
DTZ-1600 |
346 |
120 |
520 |
160 |
70 |
240 |
122 |
220 |
347 |
151 |
30 |
25 |
286+S | |
|
DTZ-3200 |
300 |
155 |
377 |
160 |
40 |
40 |
340+S | |||||||
|
DTZ-5000 |
310 |
170 |
420 |
170 |
40 |
40 |
340+S | |||||||
|
DTZ-10000 |
325 |
157 |
467 |
190 |
40 |
40 |
435+S | |||||||
|
DTZ-15000 |
330 |
265 |
490 |
165 |
50 |
55 |
485+S | |||||||
|
DTZ-30000 |
430 |
265 |
640 |
235 |
60 |
60 |
680+S |
DT,DTZ型系列电动推杆机