您的位置:您的位置:
首页
→
低压电器
→
低压接触器
→
交流接触器
→ CJX3F-12(3TF41)交流接触器
产品搜索:
产品名称
产品简介
热门搜索:
ZT2
电压互感器
隔离开关
熔断器
产品名称:
CJX3F-12(3TF41)交流接触器
型号规格:
放大图片
产品类别:
常规产品
--
低压电器
--
交流接触器
参考价格:
厂价直销
产品品牌:
国产
产品产地:
上海
可供数量:
批量
供货周期:
现货(或电询)
13916500500
91way@163.com
更多分享
产品简介:
(点击小图查看大图)
CJX3F-12(3TF41)交流接触器
产品详细说明:
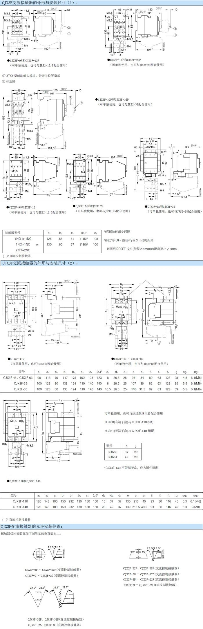
CJX3F-12(3TF41)交流接触器
CJX3F-12(3TF41)交流接触器
(示意图)
相关产品:
CJX2-F115(LC1-F115)系列交流接触器
CCJ8系列交流接触器
100CX系列交流接触器
100DX系列交流接触器
CK3系列交流接触器
CJX28系列转动式交流接触器
CJX35系列直动交流接触器
CJ35系列交流接触器
CJ156系列交流接触器
CJX28-2500K/3交流接触器
相关文章:
电气设计中低压交流接触器的选用
交流接触器的维修方法
交流接触器的应用
交流接触器无声运行技术分析
交流接触器控制延时断电停机接线图
交流接触器控制电机正反转接线图
交流接触器通电延时接线图
交流接触器星三角启动接线图
交流接触器和热继电器组合接线图
交流接触器选用计算
低压断路器
(
397
)
低压接触器
(
443
)
交流接触器
(
231
)
直流接触器
(
157
)
低压真空接触器
(
55
)
低压互感器
(
314
)
继电器
(
1498
)
计数器|计时器
(
313
)
低压熔断器
(
117
)
起动器
(
48
)
电磁铁
(
247
)
电阻器
(
112
)
低压避雷器
(
34
)
电力电容器
(
52
)
低压电抗器
(
44
)
双电源开关
(
61
)
低压隔离器
(
155
)
转换开关
(
160
)
主令电器
(
421
)
接线端子
(
112
)
插头插座
(
42
)
电磁吸盘
(
10
)
电工设备
(
69
)
照明配电箱
(
51
)
低压保护器
(
85
)
电柜门锁拉手
(
585
)
建筑电器
(
17
)
本网站所有产品资料均来源于各有关生产厂商,我们不保证资料的完整性及正确性,如需更详细资料,请直接联系厂商