导航条
首页 您的位置:您的位置:首页低压电器继电器固态继电器 → TGJ33,TGJ34三相周波调压控制器
分栏标签 
产品名称: TGJ33,TGJ34三相周波调压控制器
型号规格: TGJ33,TGJ34三相周波调压控制器
  放大图片 放大图片
产品类别: 常规产品 -- 低压电器 -- 固态继电器
分栏标签 
参考价格: 厂价直销
产品品牌: 国产
产品产地: 上海
分栏标签 
可供数量: 批量
供货周期: 现货(或电询)
标签
产品询价 在线交流
13916500500
邮件 91way@163.com
更多分享

分栏标签 
产品简介:
(点击小图查看大图)
TGJ33,TGJ34三相周波调压控制器产品详细说明:
型 号 TGJ33 TGJ34



输入电压 440/660 VAC
输出电压 0 ~ (输入电压)
最大输出电流 10~350 A
控制方式 外接10kΩ/0.5W电位器 外接信号:电压:0-10VDC
电流:4-20mA
控制电源 12-18 VDC
隔离电压 控制端与输出端非电隔离 ≥1800 V
绝缘电压 ≥ 2000 V
绝缘电阻 ≥100 MΩ
工作频率 50~60 HZ
环境温度 -20~70℃
散热条件 ≥20A配散热器,≥40A再加风扇强冷
负载电流安全系数 感性负载3~4倍 阻性负载2~3倍
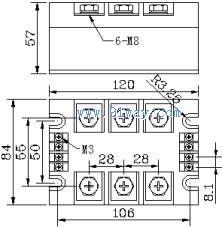
外形尺寸.(代号) 105×74×41 mm3(J-3 )  120×84×57 mm3(J-5 )


TGJ33,TGJ34三相周波调压控制器外形尺寸.安装接线图:(单位:mm)

TGJ33,TGJ34三相周波调压控制器安装尺寸1   TGJ33,TGJ34三相周波调压控制器安装尺寸2

TGJ33,TGJ34三相周波调压控制器接线图1   TGJ33,TGJ34三相周波调压控制器接线图2

TGJ33,TGJ34三相周波调压控制器

TGJ33,TGJ34三相周波调压控制器
产品分类
本网站所有产品资料均来源于各有关生产厂商,我们不保证资料的完整性及正确性,如需更详细资料,请直接联系厂商