您的位置:您的位置:
首页
→
特种电器
→
防爆起动器
→ BQD54系列防爆综合电磁起动器(Ⅱ B)
产品搜索:
产品名称
产品简介
热门搜索:
ZT2
电压互感器
隔离开关
熔断器
产品名称:
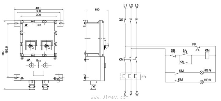
BQD54系列防爆综合电磁起动器(Ⅱ B)
型号规格:
放大图片
产品类别:
常规产品
--
特种电器
--
防爆起动器
参考价格:
厂价直销
产品品牌:
国产
产品产地:
上海
可供数量:
批量
供货周期:
现货(或电询)
13901609058
91way@163.com
更多分享
产品简介:
(点击小图查看大图)
BQD54系列防爆综合电磁起动器(Ⅱ B)
产品详细说明:
BQD54系列防爆综合电磁起动器(Ⅱ B)适用范围:
1、1区、2区危险场所。
2、ⅡA、ⅡB类爆炸性气体环境。
产品特点:
1、铸铝合金外壳,表面喷塑。
2、内装高分断小型断路器,交流接触器,热继电器,自复位万能转换开关等。
3、可控制交流50Hz,380V三相异步电动机的直接起动、停止、并具有过载、短路、缺相、失压保护功能。
4、 可以远控。
5、钢管或电缆布线均可。
型号意义:
主要技术参数:
BQD54系列防爆综合电磁起动器(Ⅱ B)
BQD54系列防爆综合电磁起动器(Ⅱ B)
(示意图)
相关产品:
QC918系列船用交流电磁起动器
QC815-60型矿用隔爆型电磁起动器
QJZG-10高压真空电磁起动器
BDQ60-4防爆电磁起动器(ⅡB)
QJZ-400矿用隔爆兼本质安全型真空电磁起动器
BQD53系列防爆电磁起动器(ⅡB、ⅡC)
QBZ-200矿用隔爆型真空电磁起动器
BQD-DIP系列粉尘防爆电磁起动器(DIP A20)
QBZ-80矿用隔爆型可逆真空电磁起动器
BQS53系列防爆电磁起动器(IIB/IIC)
相关文章:
防爆元件
(
24
)
防爆主令
(
56
)
防爆电器
(
93
)
防爆设备
(
65
)
防爆起动器
(
60
)
防爆操作柱
(
28
)
防爆配电箱
(
90
)
防爆接线盒
(
130
)
防爆传感器
(
43
)
船用电器
(
208
)
船用警示器
(
37
)
船用电源
(
30
)
船用仪表
(
140
)
船用设备
(
8
)
化工防腐
(
24
)
交通电器
(
3
)
照明灯具
(
766
)
本网站所有产品资料均来源于各有关生产厂商,我们不保证资料的完整性及正确性,如需更详细资料,请直接联系厂商