| 产品名称: | DZS系列电磁失电制动器 | |||||
| 型号规格: | ![]() |
|||||
| 产品类别: | 常规产品 -- 机械传动 -- 电磁制动器 | |||||
| 参考价格: | 厂价直销 | |||||
| 产品品牌: | 国产 | |||||
| 产品产地: | 上海 | |||||
| 可供数量: | 批量 | |||||
| 供货周期: | 现货(或电询) | |||||
|
||||||
| 产品简介: |
|
|||||
| 规格Specifications 数据Contents 名称Item names |
05 | 08 | 15 | 30 | 40 | 80 | 150 |
| 配套YEJ电机机座号 YEJ Motors Model Numbers |
71 | 80 | 90 | 100 | 112 | 132 | 160 |
| 额定力矩(N.m) Rated Braking Torque |
5 | 8 | 15 | 30 | 40 | 80 | 150 |
| 额定功率P20℃(W) Rated Power |
28 | 30 | 45 | 60 | 65 | 88 | 110 |
| 接通时间(ms) Connecting Time T1 |
63 | 87 | 110 | 140 | 152 | 165 | 214 |
| 断开时间(ms) Disconnecting Time T2 |
55 | 72 | 95 | 120 | 130 | 140 | 180 |
| 最大工作气隙δ max (mm) Maximum Working Air Crach |
0.8 | 1 | 1 | 1 | 1 | 1.2 | 1.2 |
| 额定电压(V DC) Rated Voltage |
99 | 99 | 99 | 99 | 170 | 170 | 170 |
| 允许最高工作转速(rpm) Allowable Max Speed |
3000 | 3000 | 3000 | 3000 | 3000 | 3000 | 3000 |
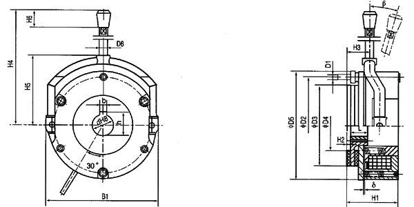
3、外形及安装尺寸:OverallandintallationDimensions
| 尺寸 型号 |
d | D1 | D2 | D3 | D4 | D5 | D6 | b | B1 | h | H1 | H2 | H3 | H4 | H5 | H6 | L | δ | β |
| DZS-05 | 14.8 | 3×M5 | 90 | 75 | 45 | 102 | 10 | 5 | 106 | 16.2 | 46 | 3 | 22 | 120 | 63 | 20 | 20 | 0.3 | 12° |
| DZS-08 | 19.8 | 3×M5 | 105 | 90 | 50 | 117 | 10 | 6 | 123 | 22.6 | 50 | 3.5 | 23 | 133 | 73 | 20 | 20 | 0.3 | 12° |
| DZS-15 | 24.8 | 3×M6 | 114 | 95 | 60 | 127 | 10 | 8 | 133 | 28.1 | 55 | 4 | 24 | 141 | 82 | 20 | 25 | 0.4 | 10° |
| DZS-30 | 29.5 | 3×M6 | 133 | 115 | 75 | 147 | 10 | 8 | 153 | 32.8 | 60 | 4 | 24 | 169 | 92 | 20 | 30 | 0.4 | 10° |
| DZS-40 | 29.5 | 3×M8 | 150 | 124 | 75 | 166 | 12 | 8 | 171 | 32.8 | 63 | 4 | 23 | 189 | 102 | 20 | 30 | 0.5 | 8° |
| DZS-80 | 39.5 | 3×M8 | 170 | 150 | 104 | 187 | 12 | 12 | 192 | 42.8 | 77 | 4.5 | 27 | 234 | 115 | 20 | 30 | 0.5 | 8° |
| DZS-150 | 44.5 | 4×M10 | 202 | 175 | 107 | 222 | 12 | 12 | 224 | 47.8 | 88 | 4.5 | 32 | 250 | 133 | 20 | 35 | 0.6 | 8° |
4、安装:Installation
安装注意事项Warning
摩擦片及衔铁表面不得有油污,必须保持清洁;
安装时必须保证气隙“δ”;
齿轮套不得有轴向窜动。
安装后必须旋出空心螺栓锁紧在电机后端盖或法兰盘上。