| 产品名称: | DZD系列单片电磁制动器 | |||||
| 型号规格: | ![]() |
|||||
| 产品类别: | 常规产品 -- 机械传动 -- 电磁制动器 | |||||
| 参考价格: | 厂价直销 | |||||
| 产品品牌: | 国产 | |||||
| 产品产地: | 上海 | |||||
| 可供数量: | 批量 | |||||
| 供货周期: | 现货(或电询) | |||||
|
||||||
| 产品简介: |
|
|||||
| 规格Specifications 数据Contents |
DZD-0.6 |
DZD-1.2 | DZD-2.5 | DZD-5 | DZD-10 | DZD-16 | DZD-25 | DZD-32 | DZD-50 | DZD-100 | |
| 额定力矩(N.m) Rated Braking Torque |
6 | 12 | 25 | 50 | 100 | 160 | 250 | 320 | 500 | 1000 | |
| 额定功率P20℃(W) Rated Power |
13 | 16 | 20 | 32 | 40 | 45 | 54 | 60 | 80 | 100 | |
| 额定电压(V DC) Rated Voltage |
24 | 24 | 24 | 24 | 24 | 24 | 24 | 24 | 24 | 24 | |
| 接通时间(ms) Connecting Time T1 |
55 | 75 | 120 | 140 | 230 | 250 | 303 | 380 | 450 | 505 | |
| 断开时间(ms) Disconnecting Time T2 |
15 | 25 | 35 | 45 | 60 | 90 | 170 | 200 | 160 | 330 | |
| 工作最高转速(rpm) Allowable Max Speed |
3600 | 3600 | 3000 | 3000 | 2500 | 2500 | 2500 | 2000 | 2000 | 1500 | |
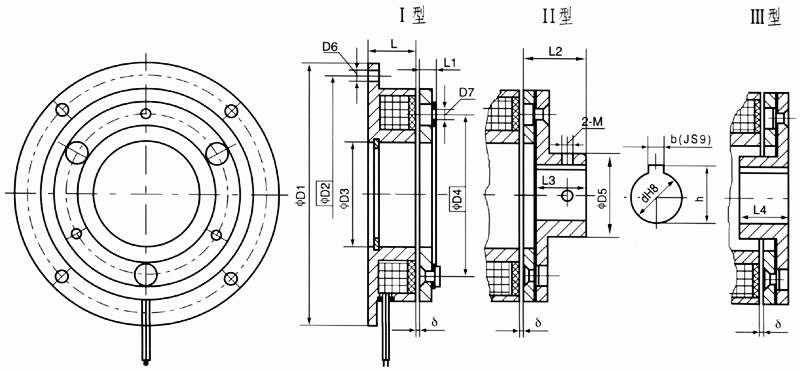
| 尺寸 型号 |
d | D1 | D2 | D3 | D4 | D5 | D6 | D7 | M | L | L1 | L2 | L3 | L4 | b | h | δ |
| DZD-0.6 | 15 | 80 | 72 | 35 | 50 | 26 | 4-4.3 | 3-4.1 | M4 | 19 | 3.5 | 23.5 | 20 | 20 | 5 | 17.3 | 0.3 |
| DZD-1.2 | 20 | 105 | 95 | 42 | 66 | 35 | 4-5.5 | 3-4.1 | M6 | 21 | 4.7 | 24.7 | 20 | 20 | 6 | 22.8 | 0.3 |
| DZD-2.5 | 25 | 130 | 118 | 52 | 80 | 41 | 4-5.5 | 3-5.2 | M6 | 23 | 6.8 | 31.8 | 25 | 25 | 8 | 28.3 | 0.4 |
| DZD-5 | 30 | 158 | 147.5 | 62 | 101 | 49 | 6-5.5 | 3-6.2 | M8 | 28 | 8.4 | 38.4 | 30 | 30 | 8 | 33.3 | 0.4 |
| DZD-10 | 35 | 190 | 175 | 80 | 120 | 65 | 4-9 | 3-8.2 | M8 | 26 | 9.1 | 47.1 | 38 | 38 | 10 | 38.3 | 0.5 |
| DZD-16 | 43 | 230 | 215 | 100 | 158 | 83 | 4-9 | 3-10.2 | M8 | 30 | 11.2 | 56.2 | 45 | 45 | 12 | 46.3 | 0.5 |
| DZD-25 | 50 | 270 | 250 | 110 | 182 | 90 | 4-9 | 3-10.2 | M8 | 34 | 12.3 | 60.3 | 48 | 48 | 14 | 53.8 | 0.6 |
| DZD-32 | 55 | 290 | 270 | 120 | 210 | 100 | 4-11 | 3-12.2 | M10 | 38 | 12.6 | 67.6 | 55 | 55 | 16 | 59.3 | 0.8 |
| DZD-50 | 60 | 310 | 290 | 130 | 220 | 105 | 4-11 | 4-12.2 | M10 | 38 | 15.5 | 75.5 | 60 | 60 | 18 | 64.4 | 0.8 |
| DZD-100 | 70 | 440 | 420 | 200 | 315 | 148 | 8-12.5 | 4-16.2 | M12 | 50 | 17.5 | 93.5 | 76 | 76 | 20 | 74.9 | 0.8 |
4、安装:Installation
安装注意事项 Warning
摩擦片及衔铁表面不得有油污,必须保持清洁;
安装制动器必须保证同轴度不大于0.1mm;
与制动器配合的轴孔与轴精密度为H8/h7
制动器主、从动侧需固定,不允许有轴向窜动,同时必须保证工作气隙“δ”