导航条
首页 您的位置:您的位置:首页机械传动齿轮箱 → PG52系列行星齿轮箱
分栏标签 
产品名称: PG52系列行星齿轮箱
型号规格: PG52系列行星齿轮箱
  放大图片 放大图片
产品类别: 常规产品 -- 机械传动 -- 齿轮箱
分栏标签 
参考价格: 厂价直销
产品品牌: 国产
产品产地: 上海
分栏标签 
可供数量: 批量
供货周期: 现货(或电询)
标签
产品询价 在线交流
13371811002
邮件 91way@163.com
更多分享

分栏标签 
产品简介:
(点击小图查看大图)
PG52系列行星齿轮箱产品详细说明:
PG52系列行星齿轮箱

作用在额定扭矩下第一级行星两种材质的寿命相同
塑料材质一般用于同直径电机
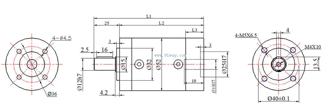
输入端可以按电机的尺寸合理调节:
可调尺寸:止口直径Φ25H7,止口深度3,
电机轴有效长度19(变化齿轮长度成正比)
可调尺寸:后盖的直径大小
输出端可以按客户特殊要求特配:
出轴直径不能超过Φ15,安装凸台不能小于直径Φ32

PG52系列行星齿轮箱输出法兰可为方型

传动级数

一级传动

二级传动

三级传动

 

传动效率

              90%

      81%

               73%

 

最大径向负载

200N

320N

450N

 

最大轴向负载

60N

100N

150N

 

瞬间承受扭矩

3倍于额定扭矩

工作温度

-10℃到+80℃

润滑方式

润滑

安装方式

任意安装

推荐输入转速

3000RPM

输入与输出

同向

齿轮箱长度L1

91.4mm

107.8mm

124.2mm

箱体长度L2

66.4mm

82.8mm

99.2mm

后盖长度L3

17.7mm

第一级行星轮材料

一级传动

二级传动

三级传动

传动扭矩

塑料POM

1.2N.M

4 N.M

25 N.M

金属40Cr

4N.M

12 N.M

25 N.M

噪声

塑料POM

45Db(A)

金属40Cr

60Db(A)

速比排列:

一级传动

二级传动

三级传动

3.65

13

49

188

5.36

20

71

206

6.55

24

87

248

8.63

31

105

272

29

115

281

35

128

303

43

154

370

46

157

399

56

169

489

PG52系列行星齿轮箱安装尺寸

PG52系列行星齿轮箱
产品分类
本网站所有产品资料均来源于各有关生产厂商,我们不保证资料的完整性及正确性,如需更详细资料,请直接联系厂商