导航条
首页 您的位置:您的位置:首页仪器仪表物位仪表接近开关 → J4J3系列电感式接近开关
分栏标签 
产品名称: J4J3系列电感式接近开关
型号规格: J4J3系列电感式接近开关
  放大图片 放大图片
产品类别: 常规产品 -- 仪器仪表 -- 接近开关
分栏标签 
参考价格: 厂价直销
产品品牌: 国产
产品产地: 上海
分栏标签 
可供数量: 批量
供货周期: 现货(或电询)
标签
产品询价 在线交流
13901609058
邮件 91way@163.com
更多分享

分栏标签 
产品简介:
(点击小图查看大图)
J4J3系列电感式接近开关产品详细说明:
J4J3系列电感式接近开关型号说明

输出形式
型号
接线方式
直流NPN三线常开
 
见(1)号接线图
直流NPN三线常闭
 
直流PNP三线常开
 
见(2)号接线图
直流PNP三线常闭
 
直流二线常开
 
见(5)号接线图
直流二线常闭
 
直流NPN四线常开+常闭
J4J3-3
见(3)号接线图
直流PNP四线常开+常闭
J4J3-4
见(4)号接线图
交流二线常开
 
见(6)号接线图
交流二线常闭
 
 
 
 
 
 
 
 
 
 
 
JH系列参数说明
 
安装形式
非埋入式
工作电压
直流型:10-30VDC
检测距离
3mm±10%
静态电流
DC三线型≤2.5mA
设定距离
0~2.4mm
响应频率
150Hz
回差值
小于检测距离的10%
电流输出
200mA
标准检测体
20×20×1铁
防护等级
IP64(IEC规格)
残留电压
DC三线式:≤1.5VDC,DC二线式:≤4VDC,AC二线式:≤8VAC
温度影响
在-25℃到+70℃范围内,对在+25℃时的检测距离是在10%以下
绝缘电阻
≥50MΩ Min (500VDC Mega基准)
耐压
1500VAC 50/60Hz 一分钟
抗振动
抗振动:10-55Hz(周期每分钟)复振幅1mm,X、Y、Z各方向2小时
抗冲击
抗冲击:500M/S2( 50G )  X、Y、Z各方向3次
环境温度
工作时 : -30 to +80℃(未结冰状态下)
储存时 : -30 to +80℃未结冰状态下 )
环境湿度
工作时: 35 to 95% RH
指示灯
动作显示(红色LED)
 
输出接线图

J4J3系列电感式接近开关接线图
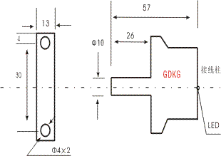
J4J3系列电感式接近开关外形尺寸
J4J3系列电感式接近开关
J4J3系列电感式接近开关
产品分类
本网站所有产品资料均来源于各有关生产厂商,我们不保证资料的完整性及正确性,如需更详细资料,请直接联系厂商