导航条
首页 您的位置:您的位置:首页机械传动制动器|离合器电磁制动器 → DHM3-C系列电磁失电制动器
分栏标签 
产品名称: DHM3-C系列电磁失电制动器
型号规格: DHM3-C系列电磁失电制动器
  放大图片 放大图片
产品类别: 常规产品 -- 机械传动 -- 电磁制动器
分栏标签 
参考价格: 厂价直销
产品品牌: 国产
产品产地: 上海
分栏标签 
可供数量: 批量
供货周期: 现货(或电询)
标签
产品询价 在线交流
13371811002
邮件 91way@163.com
更多分享

分栏标签 
产品简介:
(点击小图查看大图)
DHM3-C系列电磁失电制动器产品详细说明:

DHM3系列电磁失电制动器为通电脱离(释放),断电弹簧制动的摩擦式制动器。它主要用与Y系列电动机配套成YEJ系列电磁制动三相异步电动机。广泛应用于冶金、建筑、食品、机床、印刷、包装等机械中,及在断电时(防险)制动等场合。

这种制动器具有结构紧凑、安装方便、适应性广、噪声低、工作频率高、动作灵敏、制动可靠等优点,是一种理想的自动化执行元件。
  
二、主要性能参数 Main Technical Data 

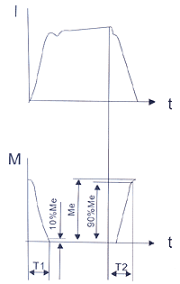
DHM3-C系列电磁失电制动器特性曲线DHM3-C系列电磁失电制动器技术参数

三、外型及安装尺寸 Overall and Istallation Dimensions

DHM3-C系列电磁失电制动器安装尺寸

四、安装 Installation
注意事项

◎ 摩擦片及衔铁表面不得有油污,必须保持清洁。
◎ 安装时必须保证气隙"δ"
◎ 齿轮套不得有轴向窜动
◎ 安装后必须旋出空心螺栓锁紧在电动机后端盖或法兰盘上

五、安装示意图 Examples for Installstion
1、电机端盖
2、空心螺栓装置
3、制动盘
4、衔铁
5、齿轮套
6、安装螺钉
7、磁轭组件
8、手动释放装置
9、风叶

DHM3-C系列电磁失电制动器安装示意图

DHM3-C系列电磁失电制动器
产品分类
本网站所有产品资料均来源于各有关生产厂商,我们不保证资料的完整性及正确性,如需更详细资料,请直接联系厂商