导航条
首页 您的位置:您的位置:首页高压电器高压互感器35KV电压互感器 → JDZX9-35型电压互感器
分栏标签 
产品名称: JDZX9-35型电压互感器
型号规格: JDZX9-35型电压互感器
  放大图片 放大图片
产品类别: 常规产品 -- 高压电器 -- 35KV电压互感器
分栏标签 
参考价格: 厂价直销
产品品牌: 国产
产品产地: 上海
分栏标签 
可供数量: 批量
供货周期: 现货(或电询)
标签
产品询价 在线交流
13916500500
邮件 91way@163.com
更多分享

分栏标签 
产品简介:
(点击小图查看大图)
JDZX9-35型电压互感器产品详细说明:

JDZX9-35型电压互感器适用于额定频率50Hz,额定电压35 kV户内装置的电力系统中作电压、电能测量及继电保护用。当互感器在额定电压下励磁时,能承受1S外部短路而无损伤。

JDZX9-35型电压互感器采用环氧树脂全封闭浇注,支柱式结构,耐污染及潮湿,适宜热带地区使用,互感器不需要特别维护,只需定期地清理表面污物,由于互感器采用全封闭浇注绝缘,尺寸小,重量轻,适宜于任何位置,任意方向安装。
    二次出线端子处安装接线端子盒,其正面和两侧各有一个出线孔,有三个方向可引出二次接线,安全可靠

型 号
额定电压比(V)
准确级
额定输出(VA)
cosJDZX9-35型电压互感器相位符号 =0.8(滞后)
极限输出(VA)
额定绝缘
水平(KV)
JDZX9-35
JDZX9-35型电压互感器电压等级符号1
0.2/6P
0.5/6P
40/100
80/100
600
40.5/95/185
JDZXF9-35
JDZX9-35型电压互感器电压等级符号2
0.2/0.5/6P
20/30/100
300


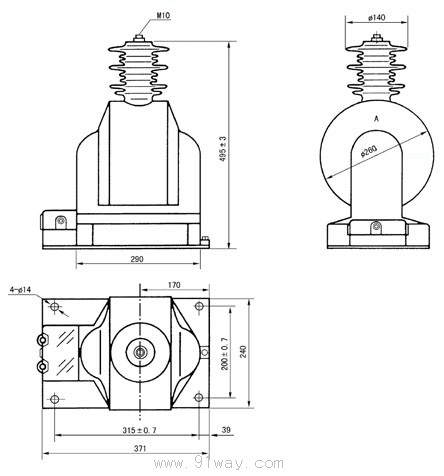
JDZX9-35型电压互感器安装尺寸
JDZX9-35型电压互感器技术参数

JDZX9-35型电压互感器技术参数及外形安装尺寸

JDZX9-35型电压互感器

JDZX9-35型电压互感器
产品分类
本网站所有产品资料均来源于各有关生产厂商,我们不保证资料的完整性及正确性,如需更详细资料,请直接联系厂商