YZR系列起重及冶金用三相异步电动机
概述:
1 YZR系列是最新设计的电动机,具有过载能力大和机械强度高的特点,特别适用于驱动各种类型的冶金及起重机械或其他类似设备。YZR系列为绕线转子电动机。
2 电动机能在下列环境条件下正常运行:
(1)冷却介质温度不超过60℃(冶金用电动机)或40℃(起重用电动机)
(2)海拔不超过1000米
(3)经常的、显著的机械振动和冲击。
3 电动机在下述负载条件下能正常工作
(1)经常的起动与逆转
(2)经常的电器或机械制动
4 电动机的额定频率为50赫,额定电压为380伏
5 接法:功率为132千瓦和小于132千瓦的定子绕组用Y接法,其余的用△接法。
6 YZR系列起重及冶金用三相异步电动机型号说明:

7 输出功率和转速
基准工作制(S340%)时的额定输出功率和同步转速见下表:(笼型电动机制造粗线框内的规格)
| 额定功率(KW) |
最大转矩/额定转矩 |
≤5.5 >5.5~11 >11 |
2.3 2.5 2.8 |
8 基准工作制时,YZR系列电动机在额定电压下的最大转矩对额定转矩之比的保证值见下表:
| 机座 |
同步转速 |
| 1000 |
750 |
600 |
| 112M |
1.5 |
|
|
| 132 |
M1 |
2.2 |
|
|
| M2 |
3.7 |
|
|
| 160 |
M1 |
5.5 |
|
|
| M2 |
7.5 |
|
|
| L |
11 |
7.5 |
|
| 180L |
15 |
11 |
|
| 200L |
22 |
15 |
|
| 225M |
30 |
22 |
|
| 250 |
M1 |
37 |
30 |
|
| M2 |
45 |
37 |
|
| 280 |
S |
55 |
45 |
37 |
| M |
75 |
55 |
45 |
| 315 |
S |
|
75 |
55 |
| M |
|
90 |
75 |
| 355 |
M1 |
|
|
90 |
| L1 |
|
|
110 |
| L2 |
|
|
132 |
| 400 |
L1 |
|
|
160 |
| L2 |
|
|
200 |
9 基准工作制时,YZ系列电动机在额定电压下的最大转矩和堵转转矩对额定转矩之比的保证值见下表:
| 额定功率(KW) |
最大转矩/额定转矩 |
堵转转矩/额定转矩 |
≤5.5 >5.5~11 >11 |
2.0 2.3 2.5 |
2.0 2.3 2.5 |
工作制及技术数据:
1 电动机的额定电压为380V,额定电流为50Hz。
2 电动机适用于断续周期性负荷,根据负荷的不同性质,电动机的工作制分为:
(1)断续周期性工作制(S3):
是一系列相同的工作周期,每一周期包括一段恒定负载运转的时间和一段停止并断能的时间(见下图),在这种类型中,每一周期的起动电流应对电动机的温升无明显的影响;每10分钟为一工作周期,即每小时起动六次。

N 在额定条件下运行时间
R 停止和断能时间
Qmax 在工作的周期中达到的最高温度
负载持续率
CDF=

(2)带起动的断续周期性工作制(S4):
是一系列相同的工作周期,每一周期包括一段起动时间,一段恒定负载运转的时间和一段停止并断能的时间(见下图);每小时起动次数分为150、300及600次。

D 起动时间
R 停止和断能时间
N 在额定条件下运行时间
R 停止和断能时间
Qmax 在工作的周期中达到的最高温度
负载持续率
CDF=

(3)带电制动的断续周期性工作制(S5):
是一系列相同的工作周期,每一周期包括一段起动时间,一段恒定负载运转时间,一段快速电制动时间和一段停止并断能时间所组成(见下图)。

D 起动时间
N 在额定条件下运行时间
F 电制动时间
R 停止和断能时间
Qmax 在工作的周期中达到的最高温度
负载持续率
CDF=

3 选用电动机时,各种起动及制动状态均需按等效发热折算成每小时等效全起动次数。以该等效全起动次数确定电动机的定额。折算典型例子见下表。
| 工作方式 |
起制动状态 |
热等效起动次数 |
| 每小时起动次数 |
每小时点动次数 |
每小时制动次数 |
每小时制动并反转次数 |
| S3 |
6 |
0 |
0 |
0 |
6 |
| S3 |
4 |
8 |
0 |
0 |
| S3 |
2 |
8 |
2 |
0 |
| S4 |
150 |
0 |
0 |
0 |
150 |
| S4 |
100 |
200 |
0 |
0 |
| S5 |
80 |
0 |
80 |
0 |
| S5 |
65 |
130 |
65 |
0 |
| S5 |
30 |
160 |
30 |
30 |
| S4 |
300 |
0 |
0 |
0 |
300 |
| S4 |
200 |
400 |
0 |
0 |
| S5 |
160 |
0 |
150 |
0 |
| S5 |
130 |
160 |
130 |
0 |
| S5 |
60 |
320 |
60 |
60 |
| S4 |
600 |
0 |
0 |
0 |
600 |
| S4 |
400 |
800 |
0 |
0 |
| S5 |
260 |
0 |
320 |
0 |
| S5 |
260 |
520 |
260 |
0 |
| S3 |
120 |
640 |
120 |
120 |
折算方法: 点动(最终速度不超过额定转速的25%)四次相当于一次全起动;电制动(制动到额定转速的1/3)一次相当于0.8次全起动。
4、电动机的基准工作方式为S3-40%,各工作制下电动机的技术数据见下表。电动机铭牌数据一般按基准工作制供给,如用户有特殊要求则按用户供给数据。当电动机需要按S2~S5工作制之外的方式运行时,需与本公司协商。
YZR系列电动机的工作方式及技术数据:


电动机的结构: 绝缘等级:分为F级和H级两种。F级适用于冷却介质温度不超过40℃的一般场所;H级适用于冷却介质温度不超过60℃的冶金场所,两种电动机有相同的电气性能。 防护等级:冶金用为IP54;起重用为IP44。 冷却方法: 112~132为自然冷却(IC0041),160~355为自扇冷却(IC0141),400为具有内循环通风外扇冷却(IC0151)。 安装结构型式:见下表
| 安装及安装形式 |
代号 |
可供的机座 |
轴伸 |
 |
1M1001 |
112~160 |
一端圆柱轴伸 |
| 1M1003 |
180~400 |
一端圆锥轴伸 |
 |
1M1002 |
112~160 |
两端圆柱轴伸 |
| 1M1004 |
180~400 |
两端圆锥轴伸 |
 |
1M3001 |
112~160 |
一端圆柱轴伸 |
| 1M3003 |
180~315 |
一端圆锥轴伸 |
 |
1M3011 |
112~160 |
一端圆柱轴伸 |
| 1M3013 |
180~315 |
一端圆锥轴伸 |
电动机的轴伸可以按用户提出的尺寸或要求制造。 传动方式:电动机采用联轴器或正齿轮传动,若采用正齿轮传动时,其齿轮节圆最小直径应不少于轴伸直径的2倍。 电动机定子出线盒位于电动机顶部,可沿电动机两侧方向出线,转子可以从端盖的两侧出线。 电动机零部件名称:如下图

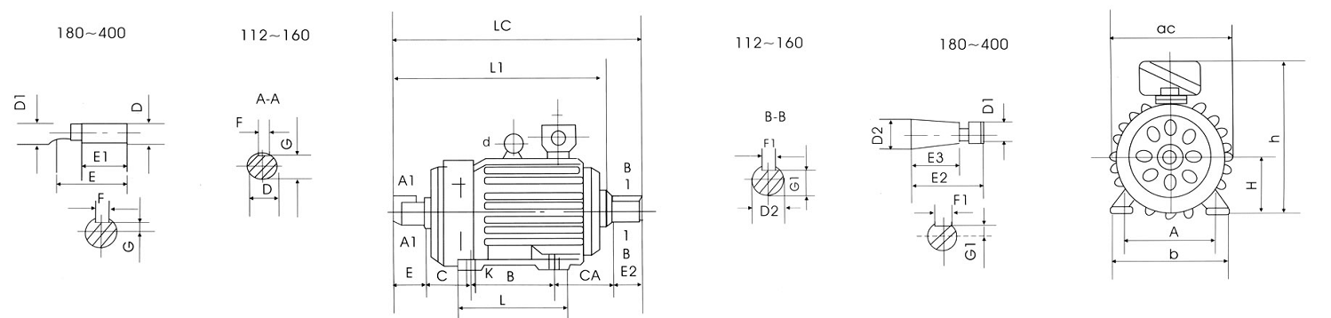
安装及外型尺寸:
1 YZR系列安装及外型尺寸:
(1) YZR系列IM1001、IM1003、IM1002、IM1004卧式安装、机座带底脚、端盖上无凸缘的电动机


(2) YZR系列IM3001、IM3003、IM3011、IM3013立式安装、机座不带底脚、端盖上有凸缘的电动机


2 YZ系列安装及外型尺寸:
(1) YZ系列IM1001、IM1003、IM1002、IM1004卧式安装、机座带底脚、端盖上无凸缘的电动机

(2) YZ系列IM3001、IM3003、IM3011、IM3013立式安装、机座不带底脚、端盖上有凸缘的电动机

