 
 
  
|   | 产品名称: | LZZB1-10,LZZB1-10GY型电流互感器 | ||||
| 型号规格: |   放大图片 | |||||
| 产品类别: | 常规产品 -- 高压电器 -- 10KV电流互感器 | |||||
|   | 参考价格: | 厂价直销 | ||||
| 产品品牌: | 国产 | |||||
| 产品产地: | 上海 | |||||
|   | 可供数量: | 批量 | ||||
| 供货周期: | 现货(或电询) | |||||
|  | 
 | |||||
|   | 产品简介: | 
 | ||||
LZZB1-10,LZZB1-10GY型电流互感器 
1.型号及其含义 
2. 产品标准 
产品性能符合GB1208-1997国家标准、DL/T 725-2000电力行业标准和IEC185标准。 
3.结构与规格 
本型电流互感器为支柱式结构,采用环氧树脂全封闭浇注成型。耐污秽、耐潮湿性能好。本产品有两个二次绕组,第一个二次绕组的准确限值系数达5P20,精确度为0.2(或0.5)级, 可以供保护用或保护、测量共用。第二个二次绕组的精确度为0.1级,并同时满足0.2S级要求,可以供计量用或计量、测量共用。 
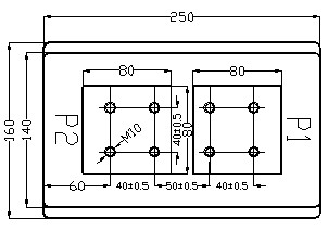
本型电流互感器有多种变比:30/5A(1A)、40/5A(1A)、50/5A(1A)、75/5A(1A)、 100/5A(1A)、150/5A(1A)、200/5A(1A)、300/5A(1A)、400/5A(1A)、 600/5A(1A)、750/5A(1A)、800/5A(1A)、1000/5A(1A)、1200/5A(1A)、 1500/5A(1A)、1600/5A(1A)、2000/5A(1A)多种。本产品外形尺寸见图1和图3,一次绕组接线端子尺寸见图2和图4。 
图1 1200A以下的产品外形尺寸图 
图2 1200A以下的产品一次绕组接线端子尺寸图 
图3 1500A以上的产品外形尺寸图 
图4 1500A以上的产品一次绕组接线端子尺寸图 
4 产品额定值及技术参数 
4.1 额定电压:10kV 
4.2 最高工作电压:12kV 
4.3 额定频率:50Hz 
4.4 额定一次电流: 30A、40A、50A、75A、100A、150A、200A、300A、400A、600A、750A、800A、1000A、1200A、1500A、1600A、2000A。 
4.5 额定二次电流:5A或1A。 
4.6 额定输出:25VA,负荷功率因数为0.8 ~ 1。 
4.7 准确级、准确限值系数(ALF)和 仪表保安系数(FS): 
4.7.1 第一个二次绕组(保护、测量用)1S1-1S2 
在各种额定输出时的准确限值系数和准确级见表1,负荷的功率因数为COSΦ=0.8~1。 
表1 
| 一次电流 | 1S1-1S2 在下述额定输出时的 准确限值系数( ALF) | 1S1-1S2准确级 | |||
| 10VA | 15VA | 20VA | 25VA | 10VA-25VA | |
| 30-800A | 5P20 | 5P15 | 5P10 | 5P10 | 0.5级 | 
| 1000A | 5P25 | 5P20 | 5P15 | 5P15 | 0.2级 | 
| 1200A | 5P25 | 5P20 | 5P20 | 5P15 | 0.2级 | 
| 1500A | 5P25 | 5P20 | 5P20 | 5P15 | 0.2级 | 
| 1600A | 5P30 | 5P20 | 5P20 | 5P15 | 0.2级 | 
| 2000A | 5P30 | 5P25 | 5P20 | 5P20 | 0.2级 | 
| 1 | 2S1-2S2在下述 额定输出 下的准确级和 仪表保安系数 | |||
| 额定输出 VA | 10VA | 15VA | 20VA | 25VA | 
| 准确级 | 0.1 | 0.1 | 0.1 | 0.2S | 
| 仪表保安系数( FS ) | 10 | 10 | 10 | 10 | 
| 额定 变比 | 额定短时热电流( kA) | 额定动稳定电流( kA) | 重量( kg ) | 
| 30-100/5A(1A) | 15 | 37.5 | ≤ 20 | 
| 150/5A(1A) | 22.5 | 56 | ≤ 20 | 
| 200/5A(1A) | 30 | 75 | ≤ 20 | 
| 300-400/5A(1A) | 45 | 112.5 | ≤ 20 | 
| 600-800/5A(1A) | 63 | 120 | ≤ 20 | 
| 1000-1200/5A(1A) | 75 | 130 | ≤ 20 | 
| 1500-2000/5A(1A) | 90 | 140 | ≤ 20 | 
图6 带安装底板时的安装开孔尺寸图 
5.2 使用  
使用前应检查二次绕组的接线极性为1S1、2S1与P1同极性。即当一次电流从P1流入互感器由P2流出时,二次电流从1S1、2S1流出经过二次负荷后由1S2、2S2流回互感器。运行中当一次绕组有电流时,二次绕组不得开路,否则在二次绕组端子间可能产生危险的高电压
 相关产品:
  相关产品: 相关文章:
   相关文章: