导航条
首页 您的位置:您的位置:首页特种电器防爆起动器 → BQC-X系列隔爆型三角起动器(ⅡB)
分栏标签 
产品名称: BQC-X系列隔爆型三角起动器(ⅡB)
型号规格: BQC-X系列隔爆型三角起动器(ⅡB)
  放大图片 放大图片
产品类别: 常规产品 -- 特种电器 -- 防爆起动器
分栏标签 
参考价格: 厂价直销
产品品牌: 国产
产品产地: 上海
分栏标签 
可供数量: 批量
供货周期: 现货(或电询)
标签
产品询价 在线交流
13901609058
邮件 91way@163.com
更多分享

分栏标签 
产品简介:
(点击小图查看大图)
BQC-X系列隔爆型三角起动器(ⅡB)产品详细说明:

BQC-X系列隔爆型三角起动器(ⅡB)适用范围

爆炸性气体混合物危险场所:1区、2区
爆炸性气体混合物:ⅡA、ⅡB、ⅡC
温度组别:T1-T4
防护等级:IP54

产品特点
钢板焊接外壳
适用于50Hz,-380V/660V 13-125KW三相异步电动机不频繁起动和停止
内装断路器、交流接触器、时间继电器、电流压感器、转换开关及指示灯等、
产品具有过载、短路、欠压等保护功能
可根据用户要求特制
钢管或电缆布线

型号含义
BQC-X系列隔爆型三角起动器(ⅡB)型号说明

外形及安装尺寸

BQC-X系列隔爆型三角起动器(ⅡB)技术参数
BQC-X系列隔爆型三角起动器(ⅡB)外形尺寸
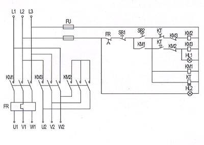
BQC-X系列隔爆型三角起动器(ⅡB)接线图

BQC-X系列隔爆型三角起动器(ⅡB)
产品分类
本网站所有产品资料均来源于各有关生产厂商,我们不保证资料的完整性及正确性,如需更详细资料,请直接联系厂商