| 产品名称: | YQS系列井用潜水三相异步电动机 | |||||
| 型号规格: | ![]() |
|||||
| 产品类别: | 常规产品 -- 电机产品 -- 交流专用电机 | |||||
| 参考价格: | 厂价直销 | |||||
| 产品品牌: | 国产 | |||||
| 产品产地: | 上海 | |||||
| 可供数量: | 批量 | |||||
| 供货周期: | 现货(或电询) | |||||
|
||||||
| 产品简介: |
|
|||||
一、概述
YQS系列井用潜水三相异步电动机为充水密封型三相异步电动机,主要用于在深井中驱动潜水泵提取地下水,为工矿企业、农田、牧场和居民生活提供生产和生活用水。本系列产品寿命长,易于维护,是目前最理想的深井提水设备。
使用条件 电动机应完全潜入水中立式使用,其潜入深度不大于70m,最地位置剧井底底不少于5m;电动机为连续工作制;介质水温不高于20℃;水中固体杂质含量(重量比)不超过0.01%;介质水中不含腐蚀性物质,pH值在6.5~8.5范围内;电动机内必须冲满洁净的清水。
YQS系列井用潜水三相异步电动机型号含义 
二、结构简介
YQS系列电机结构(见图1)。

图1 YQS系列电机结构示意图
1-法兰 2-摔砂环 3-压盖 4-油封 5-滑套 6-上导轴承 7-轴套 8-轴瓦 9-定子
10-转子11-下导轴承12-滑板 13-止推轴承14-底座 15-调节囊 16压盖
表1电动机机座号与适应井径对应表
|
机座号 |
150 |
175 |
200 |
250 |
|
井径/mm |
150 |
175 |
200 |
250 |
|
机座号 |
150 |
175 |
200 |
250 |
|
向下推力/KN |
6 |
8 |
10 |
15 |
|
件号 |
型号 |
额定功率 |
额定电压/V |
额定电流/A |
效率
(%) |
功率
因数 |
堵转电流 | |
|
hp |
kW |
额定电流 | ||||||
|
20001075 |
YQS150-3 |
4 |
3 |
380 |
7.9 |
74.0 |
0.78 |
7.0 |
|
20001076 |
YQS150-4 |
5.5 |
4 |
10.3 |
75.0 |
0.79 | ||
|
20001077 |
YQS150-5.5 |
7.5 |
5.5 |
13.7 |
76.0 |
0.80 | ||
|
20001078 |
YQS150-7.5 |
10 |
7.5 |
18.5 |
77.0 |
0.80 | ||
|
20001079 |
YQS150-9.2 |
12.5 |
9.2 |
22.1 |
78.0 |
0.81 | ||
|
20001080 |
YQS150-11 |
15 |
11 |
26.3 |
78.5 |
0.81 | ||
|
20001081 |
YQS150-13 |
17.5 |
13 |
30.9 |
79.0 |
0.80 | ||
|
20001082 |
YQS150-15 |
20 |
15 |
35.6 |
79.0 |
0.80 | ||
|
件号 |
型号 |
额定功率 |
额定
电压/V |
额定
电流/A |
效率
(%) |
功率
因数 |
堵转电流 | |
|
hp |
kW |
额定电流 | ||||||
|
01354506 |
YQS175-7.5 |
10 |
7.5 |
380 |
18.4 |
77.5 |
0.80 |
7.0 |
|
01354507 |
YQS175-9.2 |
12.5 |
9.2 |
22.1 |
78.0 |
0.81 | ||
|
01354508 |
YQS175-11 |
15 |
11 |
26.5 |
79.0 |
0.81 | ||
|
01354509 |
YQS175-13 |
17.5 |
13 |
30.1 |
80.0 |
0.82 | ||
|
01354510 |
YQS175-15 |
20 |
15 |
34.5 |
80.0 |
0.82 | ||
|
01354511 |
YQS175-18.5 |
25 |
18.5 |
42.3 |
80.5 |
0.82 | ||
|
01354512 |
YQS175-22 |
30 |
22 |
49.4 |
81.0 |
0.83 | ||
|
01354513 |
YQS175-25 |
35 |
25 |
55.8 |
81.0 |
0.83 | ||
|
01354514 |
YQS175-30 |
40 |
30 |
65.4 |
83.0 |
0.84 | ||
|
件号 |
型号 |
额定功率 |
额定
电压/V |
额定
电流/A |
效率
(%) |
功率
因数 |
堵转电流 | |
|
hp |
kW |
额定电流 | ||||||
|
01354535 |
YQS250- |
5.5 |
4 |
380 |
10.1 |
76.0 |
0.79 |
7.0 |
|
01354536 |
YQS250- |
7.5 |
5.5 |
13.5 |
77.0 |
0.80 | ||
|
01354537 |
YQS250- |
10 |
7.5 |
18.0 |
78.0 |
0.81 | ||
|
01354538 |
YQS250- |
12.5 |
9.2 |
21..7 |
78.5 |
0.82 | ||
|
01354539 |
YQS250- |
15 |
11 |
25.7 |
79.0 |
0.82 | ||
|
01354540 |
YQS250- |
17.5 |
13 |
29.6 |
80.0 |
0.83 | ||
|
01354541 |
YQS250- |
20 |
15 |
33.8 |
81.0 |
0.83 | ||
|
01354542 |
YQS250- |
25 |
18.5 |
41.6 |
81.5 |
0.83 | ||
|
01354543 |
YQS250- |
30 |
22 |
48.2 |
82.0 |
0.84 | ||
|
01354544 |
YQS250- |
35 |
25 |
54.5 |
82.5 |
0.84 | ||
|
01354545 |
YQS250- |
40 |
30 |
65.4 |
83.0 |
0.84 | ||
|
01354546 |
YQS250- |
50 |
37 |
79.7 |
84.0 |
0.84 | ||
|
01354547 |
YQS250- |
60 |
45 |
96.9 |
84.0 |
0.84 |
6.5 | |
|
件号 |
型号 |
额定功率 |
额定电压
/V |
额定电流
/A |
效率
(%) |
功率
因数 |
堵转电流 | |
|
hp |
kW |
额定电流 | ||||||
|
20000987 |
YQS250-18.5 |
25 |
18.5 |
380 |
41.0 |
82.0 |
0.84 |
7.0 |
|
20000988 |
YQS250-22 |
30 |
22 |
48.0 |
83.0 |
0.84 | ||
|
20000989 |
YQS250-25 |
35 |
25 |
54.0 |
84.0 |
0.84 | ||
|
20000990 |
YQS250-30 |
40 |
30 |
64.0 |
84.5 |
0.84 | ||
|
20000991 |
YQS250-37 |
50 |
37 |
78.0 |
85.0 |
0.85 | ||
|
20000992 |
YQS250-45 |
60 |
45 |
94.0 |
85.5 |
0.85 |
6.5 | |
|
20000993 |
YQS250-55 |
75 |
55 |
114.0 |
86.0 |
0.85 | ||
|
20000994 |
YQS250-63 |
87 |
63 |
131.0 |
86.0 |
0.85 | ||
|
20000995 |
YQS250-75 |
102 |
75 |
152.0 |
87.0 |
0.86 | ||
|
20000996 |
YQS250-90 |
122 |
90 |
183.0 |
87.0 |
0.86 | ||
|
20000997 |
YQS250-100 |
136 |
100 |
203.0 |
87.0 |
0.86 | ||
|
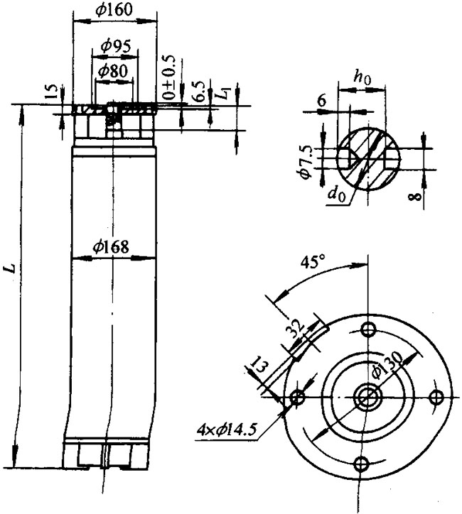
型号 |
d0 |
b0 |
h0 |
L |
L1 |
重量/kg |
|
YQS150-3 |
ф18 |
6 |
14.5 |
791 |
40 |
52 |
|
YQS150-4 |
851 |
| ||||
|
YQS150-5.5 |
906 |
63 | ||||
|
YQS150-7.5 |
976 |
70 | ||||
|
YQS150-9.2 |
ф25 |
8 |
21 |
1021 |
50 |
75 |
|
YQS150-11 |
1071 |
80 | ||||
|
YQS150-13 |
1131 |
86 | ||||
|
YQS150-15 |
1131 |
86 |
|
型号 |
d0 |
h0 |
L |
L1 |
重量/kg |
|
YQS175-7.5 |
ф25 |
21 |
740 |
45 |
69 |
|
YQS175-9.2 |
800 |
78 | |||
|
YQS175-11 |
835 |
83 | |||
|
YQS175-13 |
890 |
92 | |||
|
YQS175-15 |
920 |
96 | |||
|
YQS175-18.5 |
ф28 |
24 |
1010 |
55 |
108 |
|
YQS175-22 |
1060 |
115 | |||
|
YQS175-25 |
1130 |
126 | |||
|
YQS175-30 |
1280 |
148 |

|
型号 |
d0 |
h0 |
L |
L1 |
重量/kg |
|
YQS200-4 |
ф25-0.020
-0.033 |
21 |
801 |
25 |
75 |
|
YQS200-5.5 |
831 |
78 | |||
|
YQS200-7.5 |
850 |
80 | |||
|
YQS200-9.2 |
866 |
82 | |||
|
YQS200-11 |
901 |
89 | |||
|
YQS200-13 |
941 |
96 | |||
|
YQS200-15 |
965 |
99 | |||
|
YQS200-18.5 |
ф28-0.020
-0.33 |
24 |
1061 |
30 |
103 |
|
YQS200-22 |
1075 |
114 | |||
|
YQS200-25 |
1141 |
123 | |||
|
YQS200-30 |
1246 |
147 | |||
|
YQS200-37 |
1355 |
155 | |||
|
YQS200-45 |
1465 |
161 |
|
型号 |
d0 |
d1 |
h1 |
h0 |
b0 |
L |
L1 |
重量/kg |
|
YQS250-18.5 |
ф28-0.020
-0.33 |
7.5 |
6 |
24 |
8 |
1097 |
55 |
152 |
|
YQS250-22 |
1127 |
157 | ||||||
|
YQS250-25 |
1157 |
168 | ||||||
|
YQS250-30 |
1197 |
180 | ||||||
|
YQS250-37 |
1267 |
187 | ||||||
|
YQS250-45 |
ф38-0.020
-0.33 |
9.5 |
7 |
33 |
10 |
1337 |
70 |
210 |
|
YQS250-55 |
1467 |
221 | ||||||
|
YQS250-63 |
1567 |
250 | ||||||
|
YQS250-75 |
1677 |
282 | ||||||
|
YQS250-90 |
1807 |
310 | ||||||
|
YQS250-100 |
1887 |
329 |