导航条
首页 您的位置:您的位置:首页低压电器继电器固态继电器 → JGJ10,JGJ11直插卧式单相交流固态继电器
分栏标签 
产品名称: JGJ10,JGJ11直插卧式单相交流固态继电器
型号规格: JGJ10,JGJ11直插卧式单相交流固态继电器
  放大图片 放大图片
产品类别: 常规产品 -- 低压电器 -- 固态继电器
分栏标签 
参考价格: 厂价直销
产品品牌: 国产
产品产地: 上海
分栏标签 
可供数量: 批量
供货周期: 现货(或电询)
标签
产品询价 在线交流
13916500500
邮件 91way@163.com
更多分享

分栏标签 
产品简介:
(点击小图查看大图)
JGJ10,JGJ11直插卧式单相交流固态继电器产品详细说明:
JGJ10,JGJ11直插卧式单相交流固态继电器

输入与输出回路之间光隔离。
控制信号与TTL逻辑接口。
双向可控硅输出,零电压开启,零电流关断。
隔离电压大于2000V。
插件焊接结构,体积小,安装简便。
产品主要用于工业自动化中弱电与强电的隔离控制
也可以作为各种大功率输出器件的推动级和小功率的用电器。如电动机、电磁阀、电源等无触点开关控制。

  JGJ10(原JGX0J) JGJ11(原JGX1J)



控制电压 3∼9VD   C12∼32VDC
控制电流 5∼28mA   6∼25mA
启动电流 ≥6mA
关闭电压 ≤1VDC
通断时间 ≤15mS



负载电压 24∼240VAC   24∼440VAC
最大负载电流 1A   3A
通态压降 ≤1.5V
断态电压 ≥400V   ≥800V



隔离电压 ≥2000V
绝缘电阻 ≥100MΩ
工作温度 —25∼75 ℃
电源频率 50/60HZ
负载电流安全系数 阻性负载取2-3倍,感性负载取3-4倍
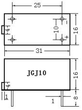
外形尺寸(代号) 31×16×16mm3(H-1) 33×25×15mm3(H-2)



外形尺寸.安装接线图:(单位:mm)

JGJ10,JGJ11直插卧式单相交流固态继电器安装尺寸1        JGJ10,JGJ11直插卧式单相交流固态继电器安装尺寸2         JGJ10,JGJ11直插卧式单相交流固态继电器接线图

H-1  H-2

温度曲线图:

JGJ10,JGJ11直插卧式单相交流固态继电器特性曲线

JGJ10,JGJ11直插卧式单相交流固态继电器选用注意事项:
选择产品时,应根据负载的性质不同,在电流档次上,留有不同的余量。(阻性负载时,可按2-3倍负载电流选取。感性或容性负载时,可按3-4 倍负载电流选取)。
根据负载电流与环境温度的关系,当环境温度较高或散热条件欠佳时。应增加电流容量。为防使用时负载短路,要求在负载回路中串接与本产品相应的快速断路开关或快速熔断器。
感性负载时,应在输出端并接压敏电阻,以防过压时损坏晶闸管。压敏电阻(MOV)的选配:240V档时选430-470V。440V档时选680-750V。
当输入控制电压标有3-32VDC且实际负载电压大于12VDC时,应在控制回路内串接保护电阻,可按输入电流(8~25mA)确定(常规约1.5KΩ/1-2W)。
该型号产品为自然冷却,工作时无需散热器。

JGJ10,JGJ11直插卧式单相交流固态继电器
产品分类
本网站所有产品资料均来源于各有关生产厂商,我们不保证资料的完整性及正确性,如需更详细资料,请直接联系厂商