导航条
首页 您的位置:您的位置:首页电机产品伺服电机直流伺服电机 → ZYT80永磁直流驱动伺服电机
分栏标签 
产品名称: ZYT80永磁直流驱动伺服电机
型号规格: ZYT80永磁直流驱动伺服电机
  放大图片 放大图片
产品类别: 常规产品 -- 电机产品 -- 直流伺服电机
分栏标签 
参考价格: 厂价直销
产品品牌: 国产
产品产地: 上海
分栏标签 
可供数量: 批量
供货周期: 现货(或电询)
标签
产品询价 在线交流
13901609058
邮件 91way@163.com
更多分享

分栏标签 
产品简介:
(点击小图查看大图)
ZYT80永磁直流驱动伺服电机产品详细说明:

MODEL

型号

NO  LOAD 空载

FULL  LOAD  满载

VOLTAGE

SPEED

CURRENT

OUTPUT

TORQUE

SPEED

CURRENT

EFF

L

电压

转速

电流

输出功率

转矩

转速

电流

效率

V

RPM

A

W

N·m

RPM

A

%

ZYT80-01

12

3400

1.7

100

0.31

3000

11.5

72

153

ZYT80-02

24

3400

0.8

100

0.31

3000

5.6

74

153

ZYT80-03

12

3400

2.0

180

0.57

3000

20.5

73

185

ZYT80-04

24

3400

1.0

180

0.57

3000

10

75

185

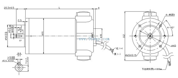
ZYT80永磁直流驱动伺服电机安装尺寸
ZYT80永磁直流驱动伺服电机

ZYT80永磁直流驱动伺服电机
产品分类
本网站所有产品资料均来源于各有关生产厂商,我们不保证资料的完整性及正确性,如需更详细资料,请直接联系厂商