导航条
首页 您的位置:您的位置:首页电机产品步进电机混合式步进电机 → 39HB系列二四相混合式步进电机
分栏标签 
产品名称: 39HB系列二四相混合式步进电机
型号规格: 39HB系列二四相混合式步进电机
  放大图片 放大图片
产品类别: 常规产品 -- 电机产品 -- 混合式步进电机
分栏标签 
参考价格: 厂价直销
产品品牌: 国产
产品产地: 上海
分栏标签 
可供数量: 批量
供货周期: 现货(或电询)
标签
产品询价 在线交流
13901609058
邮件 91way@163.com
更多分享

分栏标签 
产品简介:
(点击小图查看大图)
39HB系列二四相混合式步进电机产品详细说明:
39HB系列二四相混合式步进电机(39BYG250A/B/C) 

步距精度(Step Accuracy) ±5% 
温 升(Temperature Rise) 75℃ Max 
环境温度(Ambient Temperature Range) -20℃~+50℃ 
绝缘等级(Insulation Class) B 
绝缘电阻(Insulation Resistance) 500VDC 100MΩ Min 
绝缘强度(Dielectric Strength) 500VAC 50Hz 1Ma Minute 
径向跳动(radial runout) 0.02mmMax(450g 负载) 
轴向间隙(axial clearance) 0.08mmMax(450g 负载) 
适配驱动器(Matcheddriver) YK2203MA/YK2304MA/YK2404MA A

39HB系列二四相混合式步进电机技术参数(Specifications)

型号
Model
步距角
Step Angle
(O)
机身长
Length
L(mm)
额定电流
Current
(A/phase)
相电阻
Resistance
(Ω/phase)
相电感
Inductance
(mH/phase)
保持转矩
Holding torque
(N.m)
转动惯量
Rotor inertia
(g.cm2)
重量
Weight
(kg)
39HB20-054
1.8
20
0.48
25
22
0.1
11
0.12
39HB20-044
1.8
20
0.40
6.8
6.5
0.055
11
0.12
39HB26-046
1.8
26
0.42
15
8.5
0.08
13
0.14
39HB31-056
1.8
31
0.50
9
3.5
0.1
18
0.16
39HB34-044
1.8
34
0.40
30
42
0.21
20
0.18
39HB34-104
1.8
34
1.00
5
3
0.18
20
0.18

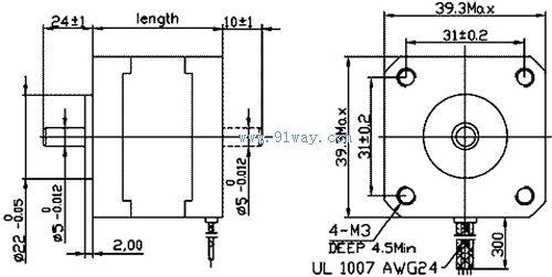
39HB系列二四相混合式步进电机安装尺寸
39HB系列二四相混合式步进电机接线图

39HB系列二四相混合式步进电机
产品分类
本网站所有产品资料均来源于各有关生产厂商,我们不保证资料的完整性及正确性,如需更详细资料,请直接联系厂商