导航条
首页 您的位置:您的位置:首页电机产品单相电机单相罩极电动机 → YZF5-13单相交流罩极式电动机
分栏标签 
产品名称: YZF5-13单相交流罩极式电动机
型号规格: YZF5-13单相交流罩极式电动机
  放大图片 放大图片
产品类别: 常规产品 -- 电机产品 -- 单相罩极电动机
分栏标签 
参考价格: 厂价直销
产品品牌: 国产
产品产地: 上海
分栏标签 
可供数量: 批量
供货周期: 现货(或电询)
标签
产品询价 在线交流
13901609058
邮件 91way@163.com
更多分享

分栏标签 
产品简介:
(点击小图查看大图)
YZF5-13单相交流罩极式电动机产品详细说明:
YZF5-13单相交流罩极式电动机

电压类型

单相

电压(V)

220-240

频率 (Hz)

50/60

功率(W)

29

电流 (A)

0.20

转速(r/min)

1300/1550

负载风叶

Φ200

风量(m³/h)

455

最低环境温度 (℃)

-25

最高环境温度 (℃)

+50

叶轮材质

转子材质

铸铝

出风方向

CCW

防护等级

IP42/IP44

绝缘等级

B

电机保护

阻抗保护

储存温度

-40℃/+80℃

认证

VDE、CE、CCC

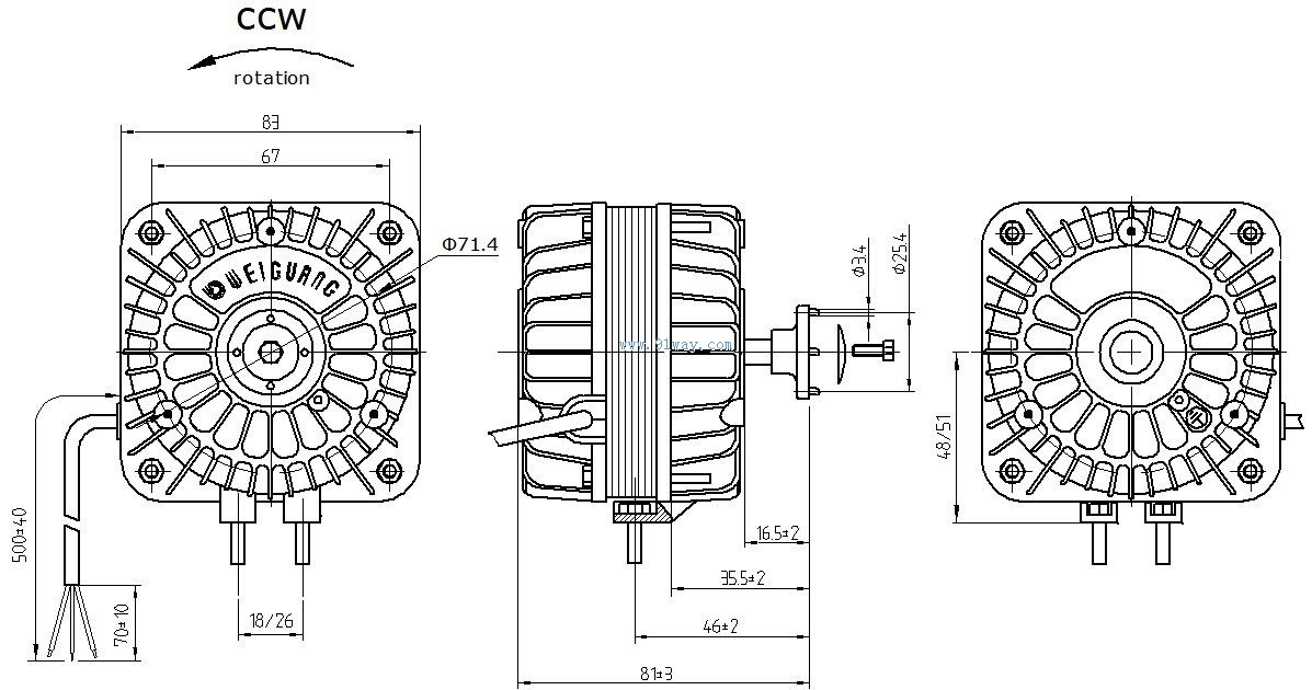
YZF5-13单相交流罩极式电动机安装尺寸

YZF5-13单相交流罩极式电动机
产品分类
本网站所有产品资料均来源于各有关生产厂商,我们不保证资料的完整性及正确性,如需更详细资料,请直接联系厂商