导航条
首页 您的位置:您的位置:首页电机产品伺服电机交流伺服电机 → WM130ST-Z1M14315GYA5型交流伺服电机
分栏标签 
产品名称: WM130ST-Z1M14315GYA5型交流伺服电机
型号规格: WM130ST-Z1M14315GYA5型交流伺服电机
  放大图片 放大图片
产品类别: 常规产品 -- 电机产品 -- 交流伺服电机
分栏标签 
参考价格: 厂价直销
产品品牌: 国产
产品产地: 上海
分栏标签 
可供数量: 批量
供货周期: 现货(或电询)
标签
产品询价 在线交流
13901609058
邮件 91way@163.com
更多分享

分栏标签 
产品简介:
(点击小图查看大图)
WM130ST-Z1M14315GYA5型交流伺服电机产品详细说明:
WM130ST-Z1M14315GYA5型交流伺服电机

电机规格

WM130ST-Z1M14315GYA5-B1

额定功率(W)

2200

额定电压(V)

220

额定电流(A)

14.5

额定力矩(N.m)

14.3

额定转速(r/min)

1500

瞬时最大电流(A)

40.5

瞬时最大力矩(N.m)

40

瞬时最高转速(r/min)

3000

反电动势(V/1000r/min)

68

力矩系数(N.m/A)

0.98

绕组(线间)电阻(Ω)

0.6

电感(mH)

3.5

电气时间常数(ms)

5.8

转子惯量(kg.m2×10-4)

28.33

重量(kg)

12.5

极对数

5对极

电机绝缘等级

Class F

防护等级

IP65

使用环境

环境温度:-20℃~40℃    环境湿度:相对湿度<90%(不结霜条件)

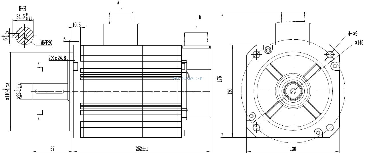
WM130ST-Z1M14315GYA5型交流伺服电机安装尺寸

WM130ST-Z1M14315GYA5型交流伺服电机
产品分类
本网站所有产品资料均来源于各有关生产厂商,我们不保证资料的完整性及正确性,如需更详细资料,请直接联系厂商