导航条
首页 您的位置:您的位置:首页电机产品力矩电机无刷力矩电机 → J56LWX001型永磁直流无刷力矩电动机
分栏标签 
产品名称: J56LWX001型永磁直流无刷力矩电动机
型号规格: J56LWX001型永磁直流无刷力矩电动机
  放大图片 放大图片
产品类别: 常规产品 -- 电机产品 -- 无刷力矩电机
分栏标签 
参考价格: 厂价直销
产品品牌: 国产
产品产地: 上海
分栏标签 
可供数量: 批量
供货周期: 现货(或电询)
标签
产品询价 在线交流
13901609058
邮件 91way@163.com
更多分享

分栏标签 
产品简介:
(点击小图查看大图)
J56LWX001型永磁直流无刷力矩电动机产品详细说明:

J56LWX001型永磁直流无刷力矩电动机主要技术指标

项 目

指 标

额定电压(V)

28

空载转速(rpm)

1280±200

峰值堵转电流(A)

≤3

峰值堵转力矩(N.m)

≥0.5

力矩波动系数

≤5%

连续堵转电流(A)

≤1.5

连续堵转力矩(N.m)

≥0.25

电枢电阻(Ω)

5.9

电枢电感(mH)

2.26

绝缘电阻(MΩ)

≥50(500VDC)

重量(g)

≤155

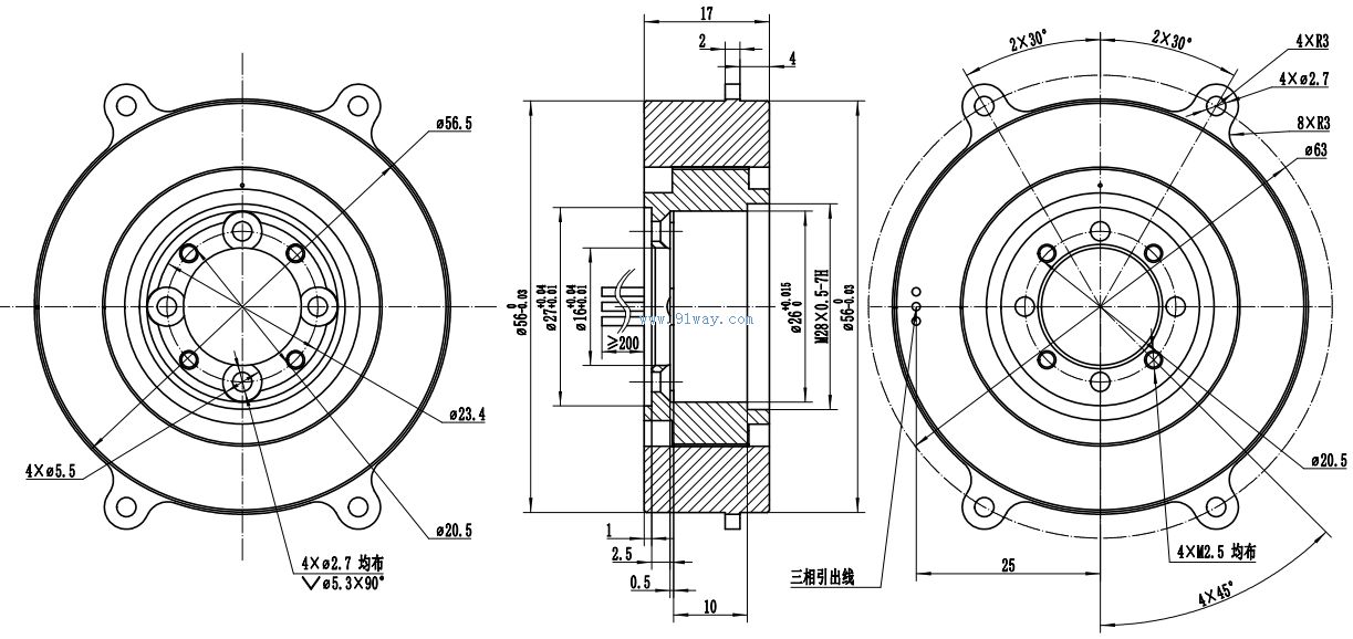
J56LWX001型永磁直流无刷力矩电动机安装尺寸

J56LWX001型永磁直流无刷力矩电动机
产品分类
本网站所有产品资料均来源于各有关生产厂商,我们不保证资料的完整性及正确性,如需更详细资料,请直接联系厂商