导航条
首页 您的位置:您的位置:首页电机产品力矩电机转角力矩电机 → J45LXJ001有限转角力矩电机
分栏标签 
产品名称: J45LXJ001有限转角力矩电机
型号规格: J45LXJ001有限转角力矩电机
  放大图片 放大图片
产品类别: 常规产品 -- 电机产品 -- 转角力矩电机
分栏标签 
参考价格: 厂价直销
产品品牌: 国产
产品产地: 上海
分栏标签 
可供数量: 批量
供货周期: 现货(或电询)
标签
产品询价 在线交流
13901609058
邮件 91way@163.com
更多分享

分栏标签 
产品简介:
(点击小图查看大图)
J45LXJ001有限转角力矩电机产品详细说明:

J45LXJ001有限转角力矩电机主要技术指标

项 目

指 标

正反绕组电压(V)

22

正转切换启动输出力矩(N.m)电机轴角度0°

0.105±0.015

正转切换堵转输出力矩(N.m)电机轴角度90°

0.105±0.015

反转复位启动输出力矩(N.m)电机轴角度90°

0.105±0.015

反转复位堵转输出力矩(N.m)电机轴角度0°

0.105±0.015

绝缘电阻(在DC500V/1min下)

≥1000MΩ

重量(g)

≤280

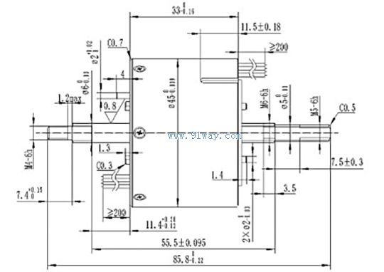
J45LXJ001有限转角力矩电机安装尺寸

J45LXJ001有限转角力矩电机
产品分类
本网站所有产品资料均来源于各有关生产厂商,我们不保证资料的完整性及正确性,如需更详细资料,请直接联系厂商