| 产品名称: | BCY型轴向柱塞泵 | |||||
| 型号规格: | ![]() |
|||||
| 产品类别: | 常规产品 -- 泵阀管件 -- 柱塞泵 | |||||
| 参考价格: | 厂价直销 | |||||
| 产品品牌: | 国产 | |||||
| 产品产地: | 上海 | |||||
| 可供数量: | 批量 | |||||
| 供货周期: | 现货(或电询) | |||||
|
||||||
| 产品简介: |
|
|||||
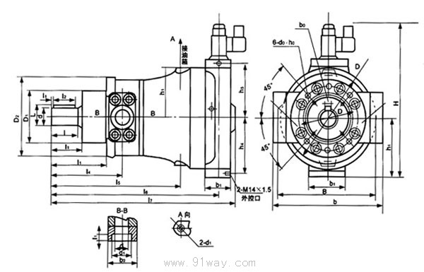
|
型号 |
B |
b |
b0 (N9) |
b1 |
b2 |
b3 |
D0 |
D1 (f9) |
D2 |
D3 |
d (h6) |
d1 |
d2 |
d3 |
|
10BCY14-1B |
172 |
142 |
8 |
50 |
88 |
100 |
75 |
125 |
150 |
25 |
M22×1.5 |
M14×1.5 | ||
|
25(32)BCY14-1B |
198 |
172 |
8 |
66 |
100 |
125 |
100 |
150 |
170 |
30 |
M33×2 |
M14×1.5 | ||
|
40BCY14-1B |
198 |
172 |
10 |
66 |
100 |
135 |
100 |
150 |
170 |
32 |
M39×2 |
M18×1.5 | ||
|
63(80)BCY14-1B |
258 |
200 |
12 |
74 |
104 |
155 |
120 |
190 |
225 |
40 |
M42×2 |
M18×1.5 | ||
|
160BCY14-1B |
332 |
340 |
16 |
100 |
120 |
90 |
198 |
150 |
240 |
300 |
55 |
50 |
64 |
M22×1.5 |
|
250BCY14-1B |
385 |
420 |
18 |
100 |
140 |
110 |
230 |
180 |
280 |
360 |
60 |
55 |
76 |
M22×1.5 |
|
400BGY14-1B |
385 |
420 |
18 |
100 |
140 |
110 |
230 |
180 |
280 |
360 |
60 |
65 |
76 |
M22×1.5 |
|
型号 |
H |
h1 |
h2 |
h3 |
h4 |
h5 |
L |
I |
I0 |
I1 |
I2 |
I3 |
I4 |
I5 |
I6 |
t |
d0×h0 |
|
10BCY14-1B |
300 |
71 |
100 |
65 |
295 |
40 |
30 |
4 |
41 |
86 |
109 |
194 |
258 |
28 |
M10×25深 | ||
|
25(32)BCY14-1B |
318 |
83 |
110 |
80 |
362 |
52 |
45 |
4 |
54 |
104 |
134 |
246 |
317 |
32.5 |
M10×25深 | ||
|
40BCY14-1B |
318 |
83 |
110 |
80 |
362 |
52 |
45 |
4 |
54 |
104 |
157 |
246 |
317 |
35 |
M10×25深 | ||
|
63(80)BCY14-1B |
350 |
108 |
140 |
127 |
126 |
440 |
60 |
50 |
4 |
62 |
122 |
230 |
300 |
389 |
42.8 |
M12×25深 | |
|
160BCY14-1B |
415 |
141 |
173 |
25 |
157 |
159 |
595 |
106 |
100 |
4 |
110 |
180 |
272 |
411 |
533 |
59 |
M16×35深 |
|
250BCY14-1B |
485 |
170 |
210 |
25 |
193 |
193 |
691 |
110 |
100 |
5 |
112 |
212 |
277 |
492 |
629 |
63.9 |
M20×45深 |
|
400BGY14-1B |
485 |
170 |
210 |
25 |
193 |
193 |
701 |
110 |
100 |
5 |
112 |
212 |
134 |
502 |
639 |
63.9 |
M20×45深 |