 
 
  
|   | 产品名称: | SE系列塑壳式断路器 | ||||
| 型号规格: |   放大图片 | |||||
| 产品类别: | 常规产品 -- 低压电器 -- 塑壳断路器 | |||||
|   | 参考价格: | 厂价直销 | ||||
| 产品品牌: | 国产 | |||||
| 产品产地: | 上海 | |||||
|   | 可供数量: | 批量 | ||||
| 供货周期: | 现货(或电询) | |||||
|  | 
 | |||||
|   | 产品简介: | 
 | ||||
适用范围  
SE系列塑料外壳式断路器(以下简称断路器)适用于交流50Hz,额定电流从16A至电压630A、额定绝缘电压690V,额定工作电压400V及以下。本系列断路器在配电网络中用来分配电能及作为线路及电气设备的过载、短路和欠电压保护之用,在正常情况下,断路器也可作为线路的不频繁转换之用,400A壳架等级及以下的断路器亦可作为保护电动机和电动机的不频繁起动之用。  
型号及其含义  
1):配电用断路器无代号;保护电动机用断路器用2表示; 
2):手柄直接操作无代号:电动机操作用D表示;旋转式手柄操作用Z表示。 
脱扣器方式及附件代号 
结构特征与工作原理 
本系列断路器是由触头系统、操作机构、脱扣系统、灭弧系统、绝缘件组成。当过载电流或短路电流达到或超过其规定值时,断路器便自动跳闸,从而切断电源,保护负载侧的设备。  
主要技术参数  
1. 断路器的主要技术参数  

2. 控制电路的主要技术参数 
3、辅助触头和报警触头的主要技术参数 
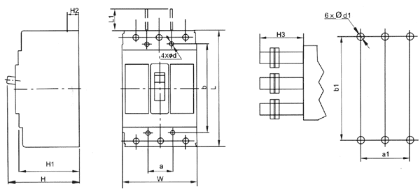
外形与安装尺寸  
外形与安装尺寸见图和表 
订货须知 
用户订货时必须说明如下事项: 
1)断路器的型号、名称; 
2)断路器的额定电流; 
3)断路器的附件名称、规格、组合代号;采用欠电压脱扣器和分励脱扣器时,应注明工作电压(或控制电源电压)的电压值; 
4)接线方式:板前接线、板后接线、插入式(板前接线可省略) 
5)数量。 
例如:SE-400,三级,额定电流350A,分励脱扣器(线圈额定电压交流220V)和瞬时脱扣器整定电流倍数101n,板前接线,50台。 
应写成:SE-400。3310、350A、AC220V、101n、50台。
 相关产品:
  相关产品: 相关文章:
   相关文章: