导航条
首页 您的位置:您的位置:首页电机产品直流电机直流无刷电机 → 83ZWS03直流永磁无刷电机
分栏标签 
产品名称: 83ZWS03直流永磁无刷电机
型号规格: 83ZWS03直流永磁无刷电机
  放大图片 放大图片
产品类别: 常规产品 -- 电机产品 -- 直流无刷电机
分栏标签 
参考价格: 厂价直销
产品品牌: 国产
产品产地: 上海
分栏标签 
可供数量: 批量
供货周期: 现货(或电询)
标签
产品询价 在线交流
13901609058
邮件 91way@163.com
更多分享

分栏标签 
产品简介:
(点击小图查看大图)
83ZWS03直流永磁无刷电机产品详细说明:
83ZWS03直流永磁无刷电机

Motor Data

Units

Part No.

83ZWS03

最高转速

RPM

6000

连续负载

A

1.31

反电势常数

V/KRPM

16.7

直流电阻

Ω

0.372

电感

mH

1.694

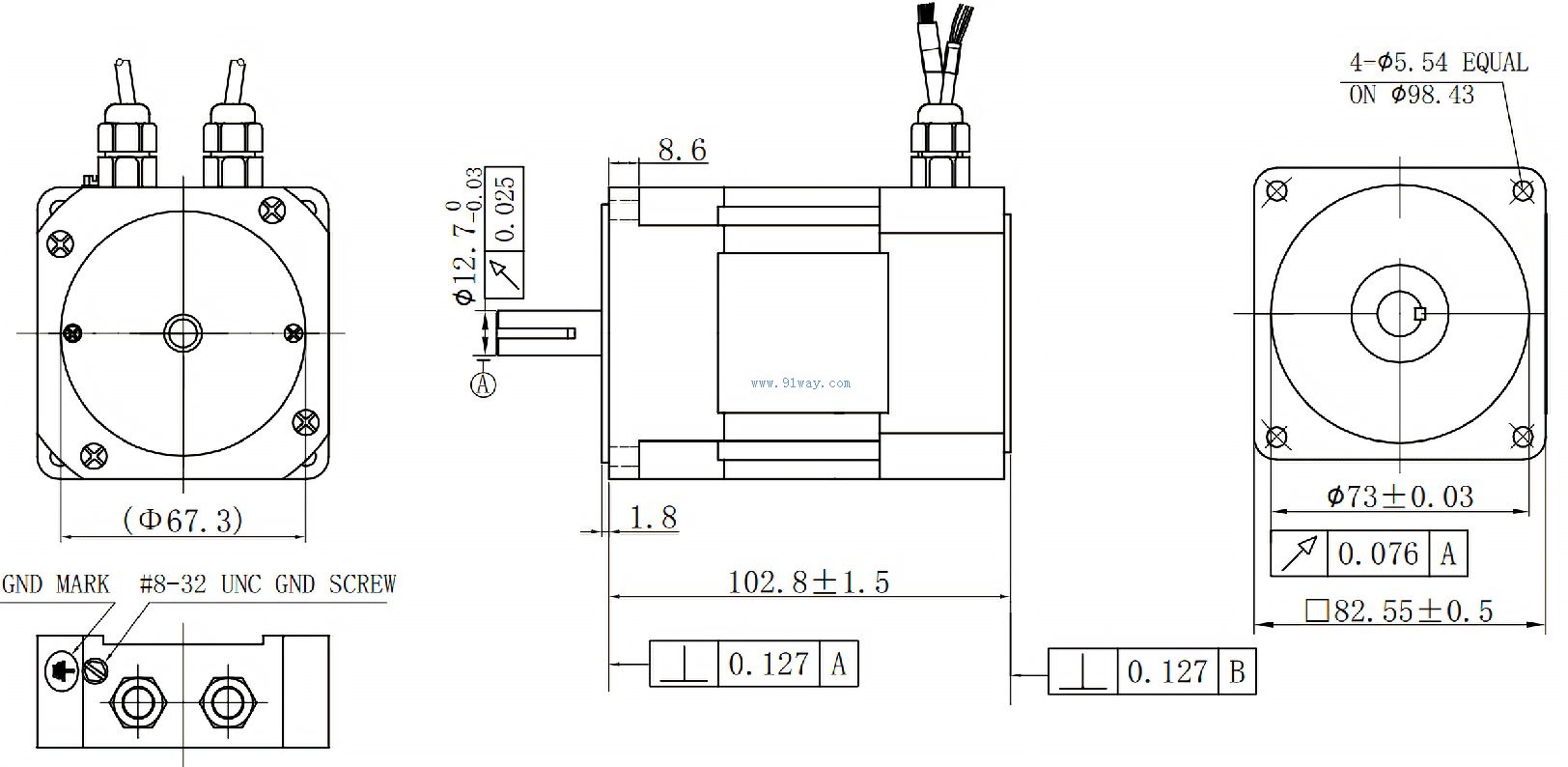
83ZWS03直流永磁无刷电机安装尺寸

83ZWS03直流永磁无刷电机
产品分类
本网站所有产品资料均来源于各有关生产厂商,我们不保证资料的完整性及正确性,如需更详细资料,请直接联系厂商