导航条
首页 您的位置:您的位置:首页电机产品直流电机直流减速电机 → 53ZY-CJ2040-DS型永磁直流有刷减速电机
分栏标签 
产品名称: 53ZY-CJ2040-DS型永磁直流有刷减速电机
型号规格: 53ZY-CJ2040-DS型永磁直流有刷减速电机
  放大图片 放大图片
产品类别: 常规产品 -- 电机产品 -- 直流减速电机
分栏标签 
参考价格: 厂价直销
产品品牌: 国产
产品产地: 上海
分栏标签 
可供数量: 批量
供货周期: 现货(或电询)
标签
产品询价 在线交流
13901609058
邮件 91way@163.com
更多分享

分栏标签 
产品简介:
(点击小图查看大图)
53ZY-CJ2040-DS型永磁直流有刷减速电机产品详细说明:
53ZY-CJ2040-DS型永磁直流有刷减速电机

电机型号

额定电压
(直流电压)

额定电流
(A)

额定扭矩
(牛米)

额定速度
(转/分)

额定功率
(瓦特)

工作制度
(分钟)

53ZY-CJ2040-DS

220

0.5

22.47

17

40

S2

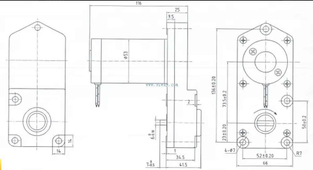
53ZY-CJ2040-DS型永磁直流有刷减速电机安装尺寸

53ZY-CJ2040-DS型永磁直流有刷减速电机
产品分类
本网站所有产品资料均来源于各有关生产厂商,我们不保证资料的完整性及正确性,如需更详细资料,请直接联系厂商