导航条
首页 您的位置:您的位置:首页电机产品直流电机直流减速电机 → 78ZYJ01型直流有刷减速电机
分栏标签 
产品名称: 78ZYJ01型直流有刷减速电机
型号规格: 78ZYJ01型直流有刷减速电机
  放大图片 放大图片
产品类别: 常规产品 -- 电机产品 -- 直流减速电机
分栏标签 
参考价格: 厂价直销
产品品牌: 国产
产品产地: 上海
分栏标签 
可供数量: 批量
供货周期: 现货(或电询)
标签
产品询价 在线交流
13901609058
邮件 91way@163.com
更多分享

分栏标签 
产品简介:
(点击小图查看大图)
78ZYJ01型直流有刷减速电机产品详细说明:
78ZYJ01型直流有刷减速电机

电机参数

单位

零件编号

78ZYJ01

额定电压

VDC

12

额定电流

A

60

额定转速

rpm

79

额定转矩

Nm

17.2

额定功率

W

142

减速比

rpm

60:1

堵转转矩

N.M

/

堵转电流

A

/

反电势常数

V/KRPM

/

线电阻

Ω

/

线电感

mH

/

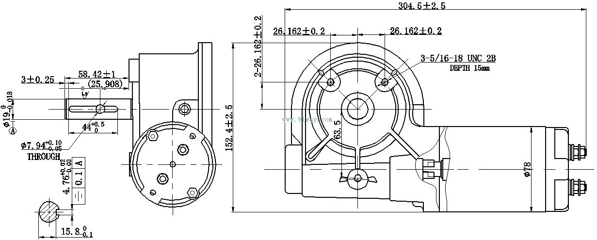
78ZYJ01型直流有刷减速电机安装尺寸

78ZYJ01型直流有刷减速电机
产品分类
本网站所有产品资料均来源于各有关生产厂商,我们不保证资料的完整性及正确性,如需更详细资料,请直接联系厂商