导航条
首页 您的位置:您的位置:首页电机产品直流电机直流牵引电机 → ZD1217,ZD2417型直流牵引电机
分栏标签 
产品名称: ZD1217,ZD2417型直流牵引电机
型号规格: ZD1217,ZD2417型直流牵引电机
  放大图片 放大图片
产品类别: 常规产品 -- 电机产品 -- 直流牵引电机
分栏标签 
参考价格: 厂价直销
产品品牌: 国产
产品产地: 上海
分栏标签 
可供数量: 批量
供货周期: 现货(或电询)
标签
产品询价 在线交流
13901609058
邮件 91way@163.com
更多分享

分栏标签 
产品简介:
(点击小图查看大图)
ZD1217,ZD2417型直流牵引电机产品详细说明:
ZD1217,ZD2417型直流牵引电机

型号/Type

ZD1217

ZD2417

功率/Power(KW)

1.6

2.5

电压/Voltage(V)

12

24

电流/Current(A)

195

165

速度/Speed(r/min)

2500

2600

转向/Rotation

CW

CW

防护等级/Protection

IP44

IP44

励磁方式/Excitation

复励

复励

重量/Weight(kg)

7.0

7.0

工作制/DUTY

2min

2min

7.5%ED

7.5%ED

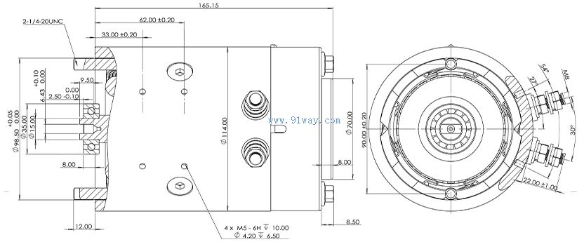
ZD1217,ZD2417型直流牵引电机安装尺寸

ZD1217,ZD2417型直流牵引电机
产品分类
本网站所有产品资料均来源于各有关生产厂商,我们不保证资料的完整性及正确性,如需更详细资料,请直接联系厂商