导航条
首页 您的位置:您的位置:首页电机产品直流电机直流无刷电机 → 38ZW07直流无刷制冷机电机
分栏标签 
产品名称: 38ZW07直流无刷制冷机电机
型号规格: 38ZW07直流无刷制冷机电机
  放大图片 放大图片
产品类别: 常规产品 -- 电机产品 -- 直流无刷电机
分栏标签 
参考价格: 厂价直销
产品品牌: 国产
产品产地: 上海
分栏标签 
可供数量: 批量
供货周期: 现货(或电询)
标签
产品询价 在线交流
13901609058
邮件 91way@163.com
更多分享

分栏标签 
产品简介:
(点击小图查看大图)
38ZW07直流无刷制冷机电机产品详细说明:

38ZW07直流无刷制冷机电机主要技术指标

项 目

指 标

额定电压(V)

16

额定电流(A)

≤0.75

额定转速(rpm)

4300±150

额定转矩(N.m)

0.02

效率

≥78%

空载电流(A)

≤0.2

空载转速(rpm)

5050±200

重量(g)

≤100

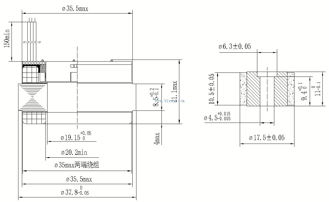
38ZW07直流无刷制冷机电机安装尺寸

38ZW07直流无刷制冷机电机
产品分类
本网站所有产品资料均来源于各有关生产厂商,我们不保证资料的完整性及正确性,如需更详细资料,请直接联系厂商