导航条
首页 您的位置:您的位置:首页电机产品力矩电机直流力矩电机 → 53LYX002直流有刷力矩电机
分栏标签 
产品名称: 53LYX002直流有刷力矩电机
型号规格: 53LYX002直流有刷力矩电机
  放大图片 放大图片
产品类别: 常规产品 -- 电机产品 -- 直流力矩电机
分栏标签 
参考价格: 厂价直销
产品品牌: 国产
产品产地: 上海
分栏标签 
可供数量: 批量
供货周期: 现货(或电询)
标签
产品询价 在线交流
13901609058
邮件 91way@163.com
更多分享

分栏标签 
产品简介:
(点击小图查看大图)
53LYX002直流有刷力矩电机产品详细说明:

53LYX002直流有刷力矩电机主要技术指标

项 目

指 标

值堵转电压(V)

27

峰值堵转电流(A)

≤3.2

峰值堵转力矩(N.m)

≥0.52

力矩波动系数

≤8%

空载启动电压(V)

≤1

空载转速(rpm)

1250±125

正反转速差(rpm)

≤50

静摩擦力矩(N.m)

≤0.018

直流电枢电阻(Ω)

9±1.5

时间常数(ms)

≤0.7

重量(g)

250±5

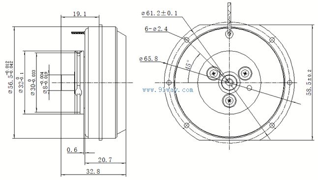
53LYX002直流有刷力矩电机安装尺寸

53LYX002直流有刷力矩电机
产品分类
本网站所有产品资料均来源于各有关生产厂商,我们不保证资料的完整性及正确性,如需更详细资料,请直接联系厂商