| 产品名称: | S-100F型开关电源 | |||||
| 型号规格: | ![]() |
|||||
| 产品类别: | 常规产品 -- 变电设备 -- 开关电源 | |||||
| 参考价格: | 厂价直销 | |||||
| 产品品牌: | 国产 | |||||
| 产品产地: | 上海 | |||||
| 可供数量: | 批量 | |||||
| 供货周期: | 现货(或电询) | |||||
|
||||||
| 产品简介: |
|
|||||
|
| ||||||||
|
型号 性能 |
S-100F-5 | S-100F-7.5 | S-100F-12 | S-100F-15 | S-100F-24 | S-100-48 | ||
| 直流输出电压 | 5V | 7.5V | 12V | 15V | 24V | 48V | ||
| 输出电压容差(注2) | ±2% | ±1% | ±1% | ±1% | ±1% | ±1% | ||
| 额定输出电流 | 20A | 13.5A | 8.5A | 6.7A | 4.5A | 2.2A | ||
| 输出电流范围 | 0-20A | 0-13.5A | 0-8.5A | 0-6.7A | 0-4.5A | 0-2.2A | ||
| 纹波及噪音(注3) | 100mVp-p | 125mVp-p | 125mVp-p | 125mVp-p | 150mVp-p | 150mVp-p | ||
| 进线稳定度(注4) | ±0.5% | ±0.5% | ±0.5% | ±0.5% | ±0.5% | ±0.5% | ||
| 负载稳定度(注5) | ±1% | ±0.5% | ±0.5% | ±0.5% | ±0.5% | ±0.5% | ||
| 直流输出功率 | 100W | 101W | 102W | 100.5W | 108W | 105.6W | ||
| 效率 | 76% | 78% | 80% | 81% | 83% | 84% | ||
| 直流电压可调范围 | +10% | ±10% | ±10% | ±10% | ±10% | ±10% | ||
| 输入电压范围 | 100~120VAC/200~240VAC 选择 47~63Hz;248~370VDC | |||||||
| 输入电流 | 2.4A/115V 1.2A/230V | |||||||
| 冲击电流 | 冷启动电流 30A/115V 60A/230V | |||||||
| 漏电流 | < 1mA/240VAC | |||||||
| 过载保护 |
115%~150% 切断输出 复位:自动恢复 | |||||||
| 过电压保护 | 115%~135% | |||||||
| 高温保护 | …… | |||||||
| 温度系数 | ±0.03%/℃(0~50℃) | |||||||
| 启动、上升、保持时间 | 1ms,30ms,15ms | |||||||
| 抗震性 | 10~500Hz,2G 10min./1周期,时长60分,各轴 | |||||||
| 耐压性 |
输入输出间:3KVAC,输入与外壳:1.5KVAC,输出与外壳:0.5KVAC | |||||||
| 隔离电阻 | 输入输出间,输入与外壳,输出与外壳:500VDC/100MΩ | |||||||
| 工作温度、湿度 | -10℃~+50℃,20%~90%RH | |||||||
| 存储温度、温度 | -20℃~+85℃,10%~95RH | |||||||
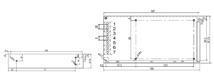
| 外形尺寸 | 199*98*38mm | |||||||
| 重量 | 0.65Kg | |||||||
| 安全标准 | UL1012,EN60950 | |||||||
| EMC标准 | EN55022,EN55024,EN61000,IEC801-2,3,4,IEC555-2 | |||||||
| 其它性能 | …… | |||||||
| 注:1、以上参数测试条件为:230VAC输入,额定负载,25℃ 70% RH.湿度。 2、容差:包括设定容差,线路稳定度,负载稳定度(注5)。 3、纹波测试:20MHz 用A12"双绞线,中断用0.1uF&47uF电容器短路。 4、进线电压稳定度测试:满负载时进线最低电压到最高电压。 5、负载稳定度测试:负载从0%到100%。 6、C3,4,32必须拆除 | ||||||||