| 产品名称: | S-250型开关电源 | |||||
| 型号规格: | ![]() |
|||||
| 产品类别: | 常规产品 -- 变电设备 -- 开关电源 | |||||
| 参考价格: | 厂价直销 | |||||
| 产品品牌: | 国产 | |||||
| 产品产地: | 上海 | |||||
| 可供数量: | 批量 | |||||
| 供货周期: | 现货(或电询) | |||||
|
||||||
| 产品简介: |
|
|||||
|
型号 性能 |
S-250-5 | S-250-7.5 | S-250-12 | S-250-13.5 | S-250-15 | S-250-24 | S-250-27 | S-250-48 |
| 直流输出电压 | 5V | 7.5V | 12V | 13.5V | 15V | 24V | 27V | 48V |
| 输出电压容差(注2) | ±2% | ±2% | ±1% | ±1% | ±1% | ±1% | ±1% | ±1% |
| 额定输出电流 | 50A | 33A | 20.8A | 18.5A | 16.6A | 10.5A | 9.3A | 5.2A |
| 输出电流范围 | 0-50A | 0-33A | 0-20.8A | 0-18.5A | 0-16.6A | 0-10.5A | 0-9.3A | 0-5.2A |
| 纹波及噪音(注3) | 150mVp-p | 150mVp-p | 150mV | 150mV | 150mV | 150mV | 200mV | 240mV |
| 进线稳定度(注4) | ±0.5% | ±0.5% | ±0.5% | ±0.5% | ±0.5% | ±0.5% | ±0.5% | ±0.5% |
| 负载稳定度(注5) | ±1% | ±1% | ±0.5% | ±0.5% | ±0.5% | ±0.5% | ±0.5% | ±0.5% |
| 直流输出功率 | 250W | 250W | 250W | 250W | 250W | 252W | 251W | 250W |
| 效率 | 73% | 76% | 74% | 79% | 78% | 81% | 82% | 83% |
| 直流电压可调范围 | 4.5-5.6V | 6-9V | 10-13.2V | 12-15V | 13.5-18V | 20-26.4V | 26-32V | 41-56V |
| 输入电压范围 | 90~132VAC/180~264VAC 由开关选择 47~63Hz;254~370VDC | |||||||
| 输入电流 | 4.6A/115V 2.8A/230V | |||||||
| 冲击电流 | 冷启动电流 25A/115V 50A/230V | |||||||
| 漏电流 | < 3.5mA/240VAC | |||||||
| 过载保护 |
115%~135% 切断输出 复位:自动恢复 | |||||||
| 过电压保护 | 5.75-6.7V | 9.4-10.9V | 13.8-16V | 15.5-18V | 18-21V | 27.6-32V | 33.7-39V | 57.6-67.2V |
| 高温保护 | RTH3>=65℃ FAN ON,<=55℃ FAN OFF,>=80℃ 切断输出(5-15V) RTH3>=70℃ FAN ON,<=60℃ FAN OFF,>=85℃ 切断输出(24-48V) | |||||||
| 温度系数 | ±0.03%/℃(0~50℃) | |||||||
| 启动、上升、保持时间 | 200ms,50ms,20ms | |||||||
| 抗震性 | 10~500Hz,2G 10min./1周期,时长60分,各轴 | |||||||
| 耐压性 |
输入输出间:1.5KVAC,输入与外壳:1.5KVAC,输出与外壳:0.5KVAC | |||||||
| 隔离电阻 | 输入输出间,输入与外壳,输出与外壳:500VDC/100MΩ | |||||||
| 工作温度、湿度 | -10℃~+50℃,20%~90%RH | |||||||
| 存储温度、温度 | -20℃~+85℃,10%~95%RH | |||||||
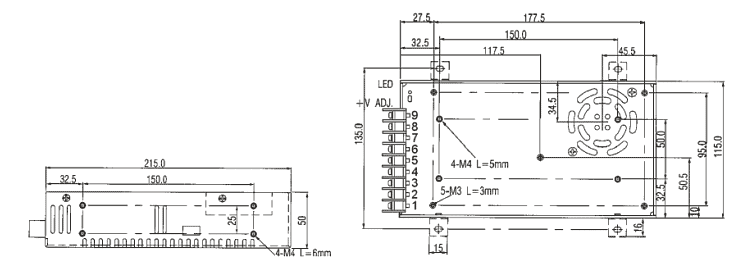
| 外形尺寸 | 215*115*50mm | |||||||
| 重量 | 1.15Kg | |||||||
| 安全标准 | UL1950 | |||||||
| EMC标准 | EN55022,EN55024,EN61000 | |||||||
| 其它性能 | …… | |||||||
注:1、以上参数测试条件为:230VAC输入,额定负载,25℃ 70% RH.湿度。
2、容差:包括设定容差,线路稳定度,负载稳定度(注5)。
3、纹波测试:20MHz 用A12"双绞线,中断用0.1uF&47uF电容器短路。
4、进线电压稳定度测试:满负载时进线最低电压到最高电压。
5、负载稳定度测试:负载从0%到100%。
6、C3,4必须拆除