| 产品名称: | HSW系列外齿式单排四点接触球式回转支承转盘轴承 | |||||
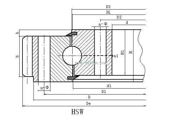
| 型号规格: | ![]() |
|||||
| 产品类别: | 常规产品 -- 机械传动 -- 转盘轴承 | |||||
| 参考价格: | 厂价直销 | |||||
| 产品品牌: | 国产 | |||||
| 产品产地: | 上海 | |||||
| 可供数量: | 批量 | |||||
| 供货周期: | 现货(或电询) | |||||
|
||||||
| 产品简介: |
|
|||||
|
序号 |
外齿式 |
外型尺寸 |
安装尺寸 |
结构尺寸 |
齿轮参数 |
齿轮 |
参考 | |||||||||||||
|
D |
d |
H |
D1 |
D2 |
n |
mm |
n1 |
D3 |
d1 |
H1 |
h |
b |
x |
m |
De |
z |
调质 | |||
|
1 |
HSW.25.625 |
725 |
525 |
80 |
685 |
565 |
18 |
18 |
3 |
626 |
624 |
68 |
12 |
60 |
1.4 |
5 |
751.9 |
146 |
5.2 |
100 |
|
HSW.25.625A |
1.15 |
6 |
755.5 |
122 |
6.2 | |||||||||||||||
|
2 |
HSW.25.720 |
820 |
620 |
80 |
780 |
660 |
18 |
18 |
3 |
721 |
719 |
68 |
12 |
60 |
1.4 |
6 |
860.3 |
139 |
6.2 |
120 |
|
HSW.25.720A |
1 |
8 |
861.1 |
104 |
8.3 | |||||||||||||||
|
3 |
HSW.30.820 |
940 |
705 |
95 |
893 |
749 |
24 |
20 |
4 |
821 |
818 |
83 |
12 |
70 |
1.4 |
6 |
980.6 |
159 |
7.2 |
210 |
|
HSW.30.820A |
1 |
10 |
986.2 |
95 |
12.2 | |||||||||||||||
|
4 |
HSW.30.880 |
1000 |
760 |
95 |
956 |
800 |
24 |
20 |
4 |
881 |
878 |
83 |
12 |
70 |
1.15 |
8 |
1047.5 |
127 |
9.7 |
230 |
|
HSW.30.880A |
1 |
10 |
1046.3 |
101 |
12.2 | |||||||||||||||
|
5 |
HSW.30.1020 |
1170 |
875 |
95 |
1120 |
930 |
24 |
22 |
4 |
1021 |
1018 |
80 |
15 |
70 |
1.4 |
8 |
1219.3 |
148 |
9.7 |
300 |
|
HSW.30.1020A |
1.15 |
10 |
1219.2 |
118 |
12.2 | |||||||||||||||
|
6 |
HSW.30.1220 |
1365 |
1075 |
120 |
1310 |
1130 |
36 |
24 |
6 |
1221 |
1218 |
105 |
15 |
90 |
1.4 |
10 |
1424.9 |
138 |
15.7 |
450 |
|
HSW.30.1220A |
1 |
12 |
1435.9 |
116 |
18.8 | |||||||||||||||
|
7 |
HSW.35.1250 |
1400 |
1090 |
120 |
1350 |
1150 |
36 |
26 |
6 |
1251 |
1248 |
105 |
15 |
90 |
-0.35 |
10 |
1443 |
143 |
15.7 |
520 |
|
HSW.35.1250A |
1 |
12 |
1449.6 |
117 |
18.8 | |||||||||||||||
|
8 |
HSW.35.1435 |
1595 |
1278 |
120 |
1535 |
1335 |
36 |
26 |
6 |
1436 |
1433 |
105 |
15 |
90 |
1.15 |
12 |
1655.5 |
134 |
18.8 |
610 |
|
HSW.35.1435A |
1 |
14 |
1661.2 |
115 |
21.9 | |||||||||||||||
|
9 |
HSW.35.1540 |
1720 |
1360 |
140 |
1660 |
1420 |
42 |
26 |
6 |
1541 |
1538 |
122 |
18 |
110 |
1.4 |
12 |
1780.8 |
144 |
23 |
732 |
|
HSW.35.1540A |
1.15 |
14 |
1791.1 |
124 |
26.8 | |||||||||||||||
|
10 |
HSW.35.1700 |
1875 |
1525 |
140 |
1815 |
1585 |
42 |
29 |
6 |
1701 |
1698 |
122 |
18 |
110 |
1.15 |
14 |
1945.4 |
135 |
26.8 |
844 |
|
HSW.35.1700A |
1.15 |
16 |
1950.8 |
118 |
30.5 | |||||||||||||||
|
11 |
HSW.40.1880 |
2100 |
1665 |
160 |
2030 |
1740 |
48 |
32 |
6 |
1881 |
1878 |
140 |
20 |
115 |
1.4 |
14 |
2189.8 |
152 |
27.8 |
1400 |
|
HSW.40.1880A |
1.15 |
18 |
2194.6 |
118 |
35.8 | |||||||||||||||
|
12 |
HSW.40.2115 |
2325 |
1900 |
160 |
2245 |
1980 |
48 |
32 |
6 |
2116 |
2113 |
140 |
20 |
115 |
1.4 |
16 |
2406.5 |
146 |
31.9 |
1600 |
|
HSW.40.2115A |
1.15 |
20 |
2418.4 |
117 |
40 | |||||||||||||||
|
13 |
HSW.40.2370 |
2600 |
2146 |
180 |
2520 |
2220 |
48 |
32 |
6 |
2371 |
2368 |
158 |
22 |
130 |
1.4 |
18 |
2707.3 |
146 |
40.7 |
2100 |
|
HSW.40.2370A |
1.15 |
22 |
2704.4 |
119 |
49.7 | |||||||||||||||
|
14 |
HSW.40.2600 |
2835 |
2365 |
180 |
2750 |
2450 |
54 |
36 |
6 |
2601 |
2598 |
158 |
22 |
130 |
1.4 |
18 |
2941.7 |
159 |
37.6 |
2400 |
|
HSW.40.2600A |
1.15 |
22 |
2946.9 |
130 |
45.9 | |||||||||||||||
|
15 |
HSW.50.2820 |
3085 |
2555 |
200 |
3000 |
2640 |
54 |
36 |
6 |
2822 |
2818 |
178 |
22 |
150 |
1.4 |
20 |
3188.4 |
155 |
52.2 |
3400 |
|
HSW.50.2820A |
1.15 |
25 |
3198.4 |
124 |
65.3 | |||||||||||||||
|
16 |
HSW.50.3120 |
3400 |
2840 |
200 |
3310 |
2930 |
54 |
36 |
6 |
3122 |
3118 |
178 |
22 |
150 |
1.4 |
22 |
3507.2 |
155 |
57.4 |
4000 |
|
HSW.50.3120A |
1.4 |
25 |
3509.6 |
136 |
65.3 | |||||||||||||||
|
17 |
HSW.50.3580 |
3920 |
3240 |
240 |
3820 |
3340 |
60 |
40 |
6 |
3582 |
3578 |
218 |
22 |
190 |
1.4 |
22 |
4036.1 |
179 |
72.7 |
6700 |
|
HSW.50.3580A |
1.4 |
25 |
4035.6 |
157 |
82.6 | |||||||||||||||
|
18 |
HSW.50.4030 |
4370 |
3690 |
240 |
4270 |
3790 |
66 |
40 |
6 |
4032 |
4028 |
218 |
22 |
190 |
1.4 |
22 |
4520.6 |
201 |
53.6 |
7700 |
|
HSW.50.4030A |
1.4 |
28 |
4522.4 |
157 |
68.2 | |||||||||||||||
|
19 |
HSW.50.4540 |
4860 |
4210 |
240 |
4760 |
4310 |
72 |
40 |
6 |
4542 |
4538 |
218 |
22 |
190 |
1.4 |
22 |
4983.1 |
222 |
72.1 |
8760 |
|
HSW.50.4540A |
1.4 |
30 |
4992.9 |
162 |
99.1 | |||||||||||||||
注:
1、n1为润滑油孔数,均布:油杯M10×1 JB/T7940.1-TB7940.2.
2、安装孔n-Φ可改用螺孔;齿宽b可改为H-h。
3、表内齿轮圆周力为最大圆周力,额定圆周力取其1/2。
4、表内变位系数均为外齿式设计。