导航条
首页 您的位置:您的位置:首页机械传动轴承转盘轴承 → H-060系列无齿式轻薄型回转支承转盘轴承
分栏标签 
产品名称: H-060系列无齿式轻薄型回转支承转盘轴承
型号规格: H-060系列无齿式轻薄型回转支承转盘轴承
  放大图片 放大图片
产品类别: 常规产品 -- 机械传动 -- 转盘轴承
分栏标签 
参考价格: 厂价直销
产品品牌: 国产
产品产地: 上海
分栏标签 
可供数量: 批量
供货周期: 现货(或电询)
标签
产品询价 在线交流
13371811002
邮件 91way@163.com
更多分享

分栏标签 
产品简介:
(点击小图查看大图)
H-060系列无齿式轻薄型回转支承转盘轴承产品详细说明:

型号
DL


重量
kg

外形尺寸

安装尺寸

结构尺寸

轴承间隙

D
[mm]

de
[mm]

H
[mm]

D1
[mm]

D2
[mm]

n

Φ
[mm]

M
[mm]

t

D3
[mm]

d1
[mm]

H1
[mm]

H2
[mm]

Hu
[mm]

Ho
[mm]

轴向

径向

H-060.20.0414

29

486

342

56

460

368

24

13.5

12

-

412.5

415.5

45.5

45.5

10.5

10.5

≤0.28

≤0.24

H-060.20.0544

37

616

472

56

590

498

32

13.5

12

-

542.5

545.5

45.5

45.5

10.5

10.5

≤0.30

≤0.26

H-060.20.0644

44

716

572

56

690

598

36

13.5

12

-

642.5

645.5

45.5

45.5

10.5

10.5

≤0.30

≤0.26

H-060.20.0744

52

816

672

56

790

698

40

13.5

12

-

742.5

745.5

45.5

45.5

10.5

10.5

≤0.30

≤0.26

H-060.20.0844

60

916

772

56

890

798

40

13.5

12

-

842.5

845.5

45.5

45.5

10.5

10.5

≤0.30

≤0.26

H-060.20.0944

67

1016

872

56

990

898

44

13.5

12

-

942.5

945.5

45.5

45.5

10.5

10.5

≤0.30

≤0.26

H-060.20.1094

77

1166

1022

56

1140

1048

48

13.5

12

-

1092.5

1095.5

45.5

45.5

10.5

10.5

≤0.30

≤0.26

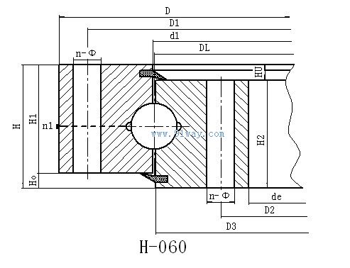
H-060系列无齿式轻薄型回转支承转盘轴承外形尺寸
H-060系列无齿式轻薄型回转支承转盘轴承

H-060系列无齿式轻薄型回转支承转盘轴承
产品分类
本网站所有产品资料均来源于各有关生产厂商,我们不保证资料的完整性及正确性,如需更详细资料,请直接联系厂商