导航条
首页 您的位置:您的位置:首页机械传动轴承转盘轴承 → HF-231系列外齿式轻型回转支承转盘轴承
分栏标签 
产品名称: HF-231系列外齿式轻型回转支承转盘轴承
型号规格: HF-231系列外齿式轻型回转支承转盘轴承
  放大图片 放大图片
产品类别: 常规产品 -- 机械传动 -- 转盘轴承
分栏标签 
参考价格: 厂价直销
产品品牌: 国产
产品产地: 上海
分栏标签 
可供数量: 批量
供货周期: 现货(或电询)
标签
产品询价 在线交流
13371811002
邮件 91way@163.com
更多分享

分栏标签 
产品简介:
(点击小图查看大图)
HF-231系列外齿式轻型回转支承转盘轴承产品详细说明:
HF-231系列外齿式轻型回转支承转盘轴承

型号

重量
[kg]

外形尺寸

安装尺寸

结构尺寸

齿轮参数

允许
圆周力
[KN]

最大允许
圆周力
[KN]

轴承间隙

D[mm]

De mm

H mm

D1
mm

D2 mm

na

Φ/M [mm]

ni

Φ
/M mm

t
mm

n1

D3 [mm]

d1 [mm]

A
m
m

C [mm]

Hu [mm]

Ho m
m

D [mm]

m
mm

Z mm

B [mm]

k.m [mm]

轴向

径向

HF-231.
20.0414

29.0

504

304

56

455

332

10

M12

24

18

20

4

412.5

415.5

 

375

10.5

 

495

5

99

45.5

-0.5

11.75

23.50

≤0.5

≤0.5

HF-231.
20.0544

39.2

640
.8

434

56

585

462

14

M12

28

18

20

4

542.5

545.5

 

505

10.5

 

630

6

105

45.5

-0.5

14.2

28.40

≤0.5

≤0.5

HF-231.
20.0644

47.2

742
.8

534

56

685

562

16

M12

32

18

20

4

642.5

645.5

 

605

10.5

 

732

6

122

45.5

-0.6

14.2

28.40

≤0.5

≤0.5

HF-231.
20.0744

53.1

838
.8

634

56

785

662

18

M12

32

18

20

4

742.5

745.5

 

705

10.5

 

828

6

138

45.5

-0.6

14.2

28.40

≤0.5

≤0.5

HF-231.
20.0844

64.7

950
.4

734

56

885

762

18

M12

36

18

20

4

842.5

845.5

 

805

10.5

 

936

8

117

45.5

-0.8

18.93

37.86

≤0.5

≤0.5

HF-231.
20.0944

69.1

1046
.4

834

56

985

862

20

M12

40

18

20

4

942.5

945.5

 

905

10.5

 

1032

8

129

45.5

-0.8

18.93

37.86

≤0.5

≤0.5

HF-231.
20.1094

82.5

1198
.4

984

56

1135

1012

22

M12

40

18

20

4

1092.5

1095.5

 

1055

10.5

 

1184

8

148

45.5

-0.8

18.93

37.86

≤0.5

≤0.5

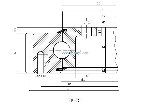
HF-231系列外齿式轻型回转支承转盘轴承外形尺寸
HF-231系列外齿式轻型回转支承转盘轴承

HF-231系列外齿式轻型回转支承转盘轴承
产品分类
本网站所有产品资料均来源于各有关生产厂商,我们不保证资料的完整性及正确性,如需更详细资料,请直接联系厂商