您的位置:您的位置:
首页
→
电机产品
→
直流电机
→
直流无刷电机
→ J32ZWC001型无刷直流电机
产品搜索:
产品名称
产品简介
热门搜索:
ZT2
电压互感器
隔离开关
熔断器
产品名称:
J32ZWC001型无刷直流电机
型号规格:
放大图片
产品类别:
常规产品
--
电机产品
--
直流无刷电机
参考价格:
厂价直销
产品品牌:
国产
产品产地:
上海
可供数量:
批量
供货周期:
现货(或电询)
13901609058
91way@163.com
更多分享
产品简介:
(点击小图查看大图)
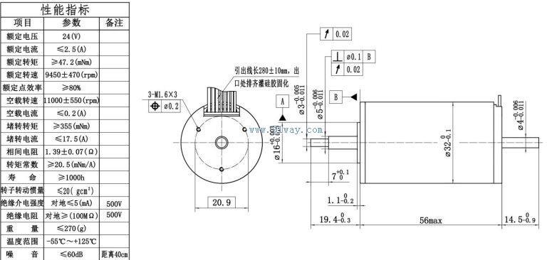
J32ZWC001型无刷直流电机
产品详细说明:
J32ZWC001型无刷直流电机
J32ZWC001型无刷直流电机
(示意图)
相关产品:
J16ZWC001型无刷直流电机
30ZWS002无刷直流电机
60SWA系列永磁无刷直流电机
80SWY系列无刷直流电机
42SW系列无刷直流电机
82SWB系列无刷直流电机
J60ZWX010-Z1-J1,J60ZWX011-Z1-J1带制动减速无刷..
J60ZWX005-Z1-J1,J60ZWX006-Z1-J1带制动减速无刷..
J60ZWX003-Z1-J1,J60ZWX004-Z1-J1带制动减速无刷..
J48ZWX002-Z1-J1带制动减速无刷直流电机
相关文章:
工业生产中直流电机调速与测速系统设计简解
双向调速直流电机驱动电路设计方案
直流电机的运行原理
直流电机的换向
直流电机感应电动势和电磁转矩的计算
直流电机的绕组
直流电机的励磁方式及磁场
直流电机的基本原理和构造
交流电机,直流电机,步进电机三者的工作原理
发电机
(
155
)
高压电机
(
24
)
同步电机
(
115
)
直流电机
(
973
)
中小直流电机
(
101
)
永磁直流电机
(
99
)
直流无刷电机
(
316
)
直流减速电机
(
134
)
直流牵引电机
(
302
)
直流制动电机
(
2
)
直流变频电机
(
11
)
专用直流电机
(
8
)
异步电机
(
435
)
特种电机
(
488
)
伺服电机
(
459
)
交通电机
(
29
)
测速电机
(
250
)
单相电机
(
190
)
步进电机
(
112
)
自整角机
(
96
)
力矩电机
(
665
)
空心杯电机
(
45
)
电机驱动器
(
39
)
电机调速器
(
67
)
编码器
(
38
)
本网站所有产品资料均来源于各有关生产厂商,我们不保证资料的完整性及正确性,如需更详细资料,请直接联系厂商